颜色识别传感器原理与应用详解
颜色识别传感器概念
颜色识别传感器又称色彩传感器或颜色传感器,它是将物体颜色同前面已经示教过的参考颜色进行比较来检测颜色的传感器,当两个颜色在一定的误差范围内相吻合时,输出检测结果。
颜色识别传感器功能
1.颜色识别功能
2.独立于工作距离的颜色识别功能
3.对振动的物体也能提供可靠的检测
4.白光LED
5.动态、遥控示教功能
6.触发输入
7.3色通道,5级阀值
8.可使用反光板

颜色识别传感器的工作原理
色彩传感器分为三种不同类型:光到光电流转换,光到模拟电压转换,光到数字转换。前者通常只代表实际色彩传感器的输入部分,因为原始光电流的幅度非常低,总是要求放大,以将光电流转换成可用的水平。所以,最实用的模拟输出色彩传感器至少会有一个跨阻抗放大器,并提供电压输出。
2.1光到光电流转换器原理
光到光电流转换器由光电二极管或具有色彩滤波器的光电二极管组成,光电二极管和发光二极管相似,核心也是p-n结,但光电二极管是把光能转为电能的转换器。在光电二极管外壳上有一个能让光照射到光敏区的窗口,光电二极管工作在反向电压下。无光照时,反向偏置的p-n结中只有微弱的反向漏电流一暗电流通过。当有光子能量大于p-n结半导体材料禁带宽度的光波照射时,p-n结各区域中的价电子吸收光子能量后,将挣脱束缚而成为自由电子,同时产生一个空穴,这些由光照产生的自由电子和空穴称为光生载流子。在远离耗尽层的p区和n区中,因电场强度弱,光生载流子只能作扩散运动,在扩散过程中因复合而消失,不可能形成光电流。而耗尽层中由于电场强度大,光生自由电子和空穴将在电场力作用下以很大速度分别向n区和p区运动,并到达电极沿外电路运动,形成光电流。方向由光电二极管的负极到正极。将光转换成光电流。可以使用外部电路,将光电流转换成成比例的电压输出,然后可以通过模拟数字转换器将电压转换成数字格式,输送到微控制器中。感测色彩的传统做法是采用把三至四个光电二极管组合在一块芯片上的结构,而将红、绿、蓝滤色器置于光电二极管的表面(通常将两个蓝滤色器组合在一起以补偿硅片对于蓝光的低灵敏度)。独立的跨阻抗放大器将每个光电二极管的输出馈送到具有8}t2位典型分辨率的A/D转换器中。
所以光到光电流转换器适合要求响应时间短、定制增益和速度调节及在光线变化条件下工作的应用。

2.2光到模拟电压转换器原理
光到模拟电压转换器由搭配色彩滤波器的光电二极管阵列组成,并整合一个跨阻抗放大器。要求使用外部电路,将模拟电压转换成数字输出,然后才能输送到数字信号处理器。光到模拟电压色彩传感器由色彩滤波器后面的光电二极管阵列与整合的电流到电压转换电路(通常是跨阻抗放大器)组成,落在每个光电二极管上的光转换成光电流,其幅度取决于亮度及入射光的波长(由于色彩滤波器)。如果没有色彩滤波器,典型的硅光电二极管会对从超紫色区域直到可视区域的波长作出响应,在光谱接近红外线的部分,峰值响应区域位于800nm和950nm之间。红色、绿色和蓝色透射色彩滤波器将重塑和优化光电二极管的光谱响应。正确设计的滤波器将对模仿人眼的滤波后的光电二极管阵列提供光谱响应。三个光电二极管中的每个光电二极管的光电流会使用电流到电压转换器,转换成VRout.VCout和VBout。所以光到模拟电压转换器适合要求设计周期较短、产品开发周期更快、光线条件和空间利用率设计精良的应用。

2.3光到数字电压转换器
由捂配滤波器的光电二极管阵列、模似数字转换器及用于通信和灵敏度控制的数字核心组成。输出允许直接接口微控制器或其它逻辑控制通路,如2线串行接口。以进一步处理信号。而不需额外的器件。
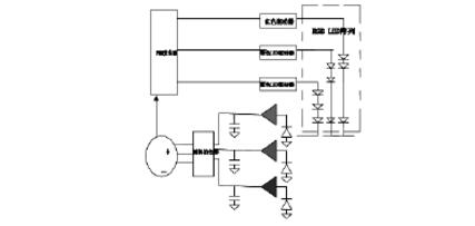
以RGB色彩传感器的装饰照明为实例:
1)使用色彩传感器测量LED亮度随时间变化情况,提供光学反馈,控制光源的色彩点
2)可与色彩控制器技术结合使用,形成闭环色彩管理系统

所以这种方法所需的元件数量比分立型光电二极管的要少,由于对噪声敏感的模拟电路位于芯片之上,因此压缩了电路板的占用空间,降低了安装成本,并且简化了设计和电路板布局。
