什么是基频晶振和泛音晶振?
在采购晶振时,客户很直接的说要某晶振料号,某有源无源晶振型号,还有就是很直接的说某晶振参数,对于无源晶振而言,或许客户对于基频晶振和泛音晶振的一个认知度比较低,不太明白这两个有何差异?今天品慧小编整理了一些资料,给大家来梳理一下什么是基频晶振和泛音晶振?

1、什么是晶振泛音?
在晶振中高频的意思是指石英水晶片达到泛音的状态,频率越高泛音次数越多。晶体振动的机械谐波。泛音频率与基频频率之比接近整数倍但不是整数倍,泛音振动有3次泛音、5次泛音、7次泛音、9次泛音。3次泛音10~75MHz、5次泛音50~150MHz、7次泛音100~200MHz、9次泛音150~250MHz。
2、什么是晶振基频?
比如基频为20MHz的晶体、五次泛音之后就可以得到100MHz的晶体。一般以经验来讲,40MHz以下基本都是基频晶振、而40MHz以上,则是泛音晶振。

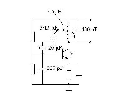
泛音晶振电路
3、为什么要分基频和泛音晶振?
晶振普遍由石英材质或者陶瓷材质加上内部的晶片组合而成,而晶振的频率大小取决于晶片的厚度影响。在制作工艺来讲,晶片大小以及晶片厚薄与晶振的频率密切相关,一般来讲,石英晶振的频率越高,需要的石英晶片越薄。
比如基频为10MHZ的晶体,三次泛音之后就可以得到30MHZ的晶体(实际上并不是绝对的倍数关系)。100MHz的石英晶体所需的晶片厚度是16.7毫米,虽然后者的厚度可做到但损耗非常高,成品只要轻轻一摔就会碎裂。因此,我们不难理解,为什么很多有源晶振频率基本都算高频的,并且成本也相对比较贵,有源晶振的成本除了内部晶片较薄以外,再就是自身有加一个振荡片。
4、基频晶振和泛音晶振使用上的区别?
那么基频晶振和泛音晶振在使用上又会有什么不同了。他们在使用上肯定是有区别的,泛音晶振是需要电感和电容配合使用才可振出泛音频率,否则就只能振出基频了,而基频的晶体,就只需要接入适当的电容就可以工作了。
5、基频和泛音之间的联系?
1.基频和泛音的概念,可以按主频和奇数次谐波来理解。
2.基频和泛音振荡是同时产生的,用20M的晶体振荡,用60M的网络选频,完全可以得到60M的信号。
3.泛音和基频不能通用。基频只需要接入适当的电容就可以工作,而泛音晶体则需要电感与电容配合使用才可振出泛音频率,否则就只能振出基频了。
4.泛音其实是一种使用条件。由于晶体频率与厚度有关,但是受到工艺的限制,晶片不能无限薄,所以通常工艺基频只能做到几十M。上百M的晶体一般都是采用泛音晶体。比如五次泛音100M的晶体,其实就是采用基频20M的晶片,但是在加工过程中都按100M来调和测。具体实现是通过电路上采用抑制基频的模式来实现。
对于晶振基频和泛音,或许大部分人都不太了解,因此在采购某高频率的无源晶振时,切记一定要与供应商确认好是基频还是泛音,以免造成成本的浪费。