常用电路元器件及集成电路简介
常用电路元器件及集成电路简介
6.1电阻、电容元件简介
6.1.1产品型号的组成及各组成部分的符号意义
1.产品型号的组成
     
 
2.产品型号的组成部分的符号意义
表6-1-1 “主称”、“材料”部分的符号及意义
        
 
表6-1-2 “分类”部分的数字表示
        
 
表6-1-3 “分类”部分的字母表示
        
 
6.1.2电阻器
在电路中,电阻器是最常见的电路元件,它的种类很多。以结构形式分,有固定电阻、可调电阻和电位器,其图形符号分别如附图1-1所示。为了区别不同种类的电阻器,通常用字母和数字符号表示电阻的类别(见附表1-1、附表1-2、附表1-3)。
     
      
 
固定电阻器 可变电阻器 电位器 热敏电阻器
1.固定电阻器
⑴固定电阻器的分类:
按制作材料的不同可分为三大类:合金类、薄膜类、合成类。
按用途可分为6种类型:通用型、精密型、高阻型、高频型、高压型、半导体电阻。
⑵固定电阻器的技术指标
①标称系列值 在大多数电阻器上都标有阻值,这就是电阻器的标称阻值。通用型电阻的阻值系列如表6-1-4所示。选用电阻时,应在 标称值系列中选择,电阻的标称值为表中数值乘以10n (n为正、负整数)。
②额定功率 电阻器的额定功率也有标称值(见表6-1-5),选用电阻时,其标称功率应是实际电路功率的1.5~2.0倍。
③精度(允许)误差 电阻器的实际值与标称值往往不完全符合,它们之间的相对误差值称为电阻的精度误差。电阻精度的允许误差表 示方法见表6-1-6。
表6-1-4 电阻器阻值标称系列值
         
 
表6-1-5 电阻器额定功率标称系列值
         
 
表6-1-6 电阻允许误差档次的符号表示法
         
 
⑶电阻器的标志方法
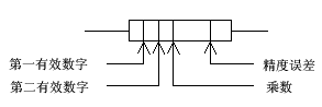
①文字符号直标法
电阻的类别:如表6-1-1、6-1-2、6-1-3所示。
标称阻值:阻值电位为Ω,KΩ,MΩ(通常“Ω”不标出)。
精度误差:普通电阻误差等级分别用Ⅰ、Ⅱ、Ⅲ表示+5%,+10%、+20%,精密电阻的误差等级的符号表示方法见表6-1-6。
②色环标志法
色环标志电阻可分为四环、五环标志方法。其中五环色标法常用于精密电阻,靠近电阻的腿端为第一色环,依次为第二、三……色 环,不同的环次和不同的颜色表示不同的含义。色环颜色所代表的数值和含义如图6-1-2和表6-1-7所示。
 
              
   
(a) (b)
             
(c)
图6-1-2 电阻的色环标志方法
表6-1-7 色标法中颜色代表的数值及意义
        
 
2.电位器
⑴电位器的种类
电位器的种类繁多,用途各异。常见电位器的结构如图6-1-3所示。
⑵电位器的标称值见表6-1-4、6-1-5。
6.1.3电容器
电容器的种类很多,按结构形式来分,有固定电容、半可变电容、可变电容。相应的图形符号如图6-1-4所示,常见电容器的外形结构见图6-1-5。
1.电容器的分类
按结构和介质材料的不同,电容器可分为:
⑴固定式:有机介质(纸介、有机薄膜)、无机介质(云母、瓷介、玻璃)、电解(铝、钽、铌)。
            
图6-1-3 常见电位器的外形结构图
      
         
      
        
固定电容器 电解电容器 可变电容器 可调电容器
图6-1-4 电容器的图形符号
⑵可变式
可变:空气、云母、薄膜。
半可变:瓷介、云母。
              
图6-1-5 常用电容器的外形结构
2.电容器的标志方法
⑴文字符号直标法:标称容量单位为Pf、nF、μF、F。
⑵代码标志法:
对于体积较小的电容器常用三位数字来表示其标称容量值,前两位是标称容量的有效数字,第三位是乘数,表示乘以10的几次方,容量 单位是pF。
例:“222”表示 2200pF; “103”表示 104pF。
⑶极性
电容器中许多类型的电容器是有极性的,诸如电解电容、油浸电容、钽电容等,一般极性符号(“+”或“-”)都直接标在相应端脚位 至置上,有时也用箭头来指明相应端脚。在使用电容器时,要注意不能将极性接反,否则电容器的各种性能都会有所降低。
3.电容的检测
电容器的质量好坏主要表现在电容量和漏电阻。电容量可用电阻电容测量仪、交流阻抗电桥或万用电桥测量;漏电阻也可用绝缘电阻测定仪、兆欧表等专用仪器测定。现在主要介绍用万用表对电容器进行定性质量检测的方法。
电容器的异常主要表现为失效、短路、断路、漏电等几种,下面具体介绍几种检测方法。
⑴漏电电阻的检测
①固定电容器(非电解电容器)漏电电阻的检测。根据电容器的充放电原理,可用万用表R×1K或R×10K挡(视电容器的容量而 定)测量。测量时,将两表棒分别接触电容器(容量大于0.01微法)的两引线,如图6-1-6所示。此时,表针会迅速地顺时针方向跳动或 偏转,然后再按逆时针方向逐渐退回“∞”处。如果回不到“∞”,则表针稳定后所指的读数就是该电容器的漏电电阻值。一般,电容器的 漏电电阻很大,约几百到几千兆欧。漏电电阻越大,则电容器的绝缘性能越好。若阻值比上述数据小得多,则说明电容器严重漏电,不能使 用;若表针稳定后靠近“O”处,说明电容器内部短路;若表针毫无反应,始终停在“∞”处,说明电容器内部开路。
         
图6-1-6电容器漏电电阻的检测
②电解电容器漏电电阻的检测。 用万用表R×100或R×1K挡检测电解电容器的漏电电阻时,正常情况下,其阻值应大于几百千欧。
当检测大容量的电解电容器(容量为几百至几千微法)时,由于万用表内电池通过欧姆挡内阻向电容器充电的时间较长,表针顺时针方 向偏转幅度很大,甚至会冲过“0”而不动,而且需要经过几十秒到几分钟,才能缓慢回到稳走的漏电电阻值处,所以为加快检测速度,尽 快读取漏电电阻值,可采用如下快速检测法:当表针顺时针偏转到最大值时,迅速将切换开关从R×1K挡拨到R×10挡。由于R×10 挡的内阻值较小,因而向电容器充电的电流较大。当电容器充电结束后,表针便会很快回到“∞”处,然后再将切换开关拨回R×1K挡, 表针会顺时针方向偏转至一个稳定的指示值,该值即为电解电容器的漏电电阻。
⑵电解电容器正、负极的判别
电解电容器可用下述方法判别其正、负极。
①外观判别。例如CD11型电解电容器,可根据其引线的长短来加以区别,长引线为正极,短引线为负极。对于铝壳电解电容器(C DX型),中心引出端为正极,与铝壳连通处为负极。
②用万用表判别。电解电容器具有正向漏电电阻大于反向漏电电阻的特点。利用此特点可以判别电解电容器正、负极。具体方法是: 将万用表拨至R×1K或R×10K挡,交换黑、红表棒测量电解电容器2 次,观察其漏电电阻的大小,并以漏电电阻大的一次为准,黑表 棒所接的就是电解电容器正极,红表棒所接的为负极。
测试时应注意,测试前应将电解电容器两引线先短接一下放电,以避免电容器贮存的电能对万用表放电,而毁坏仪表。测量容量较大 的电解电容时,在第2次测量时也应先短接两引线进行放电,以便释放上次测量中累积的充电电荷。如仍有轻微的指针打表现象,属于正常现 象,若2次测量得到的正、反向漏电电阻相差无几,则说明电解电容器正向漏电严重,已不能使用。
6.2.1国产半导体分立器件型号命名方法(表6-2-1)
表6-2-1 国产半导体分立器件型号命名方法
        
6.2.2晶体二极管
晶体二极管又称半导体二极管。
1.晶体二极管的分类
按材料分为:硅管(正向导通压降约为0.7V);锗管(正向导通压降约为0.2V)。
按结构分为:点接触型、面接触型。
按用途分为:检波管、整流管、稳压管、开关管、光电管、发光管。
2.晶体二极管的简易测试及管脚判别
(1)用指针式万用表的Ω档测量
万用表(R×1K档)的黑(一端或*端)表笔接二极管的一极,红(+端)表笔接另一极,然后将表笔对调再测一次。在测得阻值小的情 况下,可判断黑表笔(表内电池的正极)所接的是二极管的阳极,红表笔所接的是阴极,如图6-2-1所示。一般要求正向电阻越小越好,反 向电阻越大越好。若正、反向电阻都很小,说明二极管已失去单向导电作用;若正、反向电阻到很大,说明二极管以断路,无法再用。
      
(a)二极管反向电阻测量 (b) 二极管反向电阻测量
图6-2-1 用指针示式万用表测量二极管
(2)用数字万用表的 档测
将万用表的红(V、Ω)表笔接二极管的一极,黑(COM)表笔接另一极。在测得正向压降值小的情况下,红表笔(表内电池的正极) 所接的是阳极,黑表笔所接是阴极。一般所显示的二极管正向压降;硅二极管为0.55~0.70V,锗二极管为0.15~0.30V。若显示“0000”。 说明管子已短路;若显示“过载”,说明二极管内部开路或处于反向状态(可对调表笔再测)。
6.2.3发光二极管(LED)
           
 
图6-2-2 发光二极管的图形符号及外型图
(a)图形符号 (b)外型图
发光二极管的伏安特性与普通二极管类似,但它的正向压降和正向电阻要大一些,同时在正向电流达到一定值时能发出某种颜色的光。发光二极管发光颜色与在PN结中所掺加的材料有关,其发光亮度与所通正向电流大小有关。
使用发光二极管时注意:若用直流电源电压驱动时,在电路中要串接限流电阻,以防通过LED的电流过大而烧毁管子;若用交流信号驱动时,可在两端反极性并联整流二极管,以防止LED被反向击穿;若用逻辑芯片输出的TTL电平驱动,则可直接连接。发光二极管在电路中的图形和外形结构如图6-2-2所示。管脚及其好坏的判别与普通二极管相同。
6.2.4晶体三极管(半导体三极管)
1.三极管的外型结构见图6-2-3。
        
  
图6-2-3 三极管的外型结构
2.从外型结构判断三极管的管脚如图6-2-4所示。
3.简易测试方法及管脚判别
用指针式万用表的Ω档进行测量:
(1)估测穿透电流ICEO
用万用表的R×100档。如果测PNP型管,按图6-2-5进行连接;如果测NPN型管,红、黑表笔对调。一般测得阻值在几十至几百千欧以上 较正常;若阻值较小,表明ICEO大,稳定性差;若阻值接近零,表明晶体管已经击穿;若阻值无穷大,表明晶体管内部断路。
         
 
图6-2-4 从外型结构判断三极管的管脚
(2)估测电流放大系数β
           
 
图6-2-5 用指针式万用表测三极管参数
(a)测穿透电流ICE0 (b)β值测量
用万用表的R×1k(或者R×100)档。如果测PNP型管,按图6-2-5 所示的电路连接。如果测NPN型管,红、黑笔对调。对比开关S在 接通和断开时测得的电阻值,两个读数相差越大,表明晶体管的β值越高。图中的100kΩ的电阻和开关S,可以用潮湿的手指捏住电极和 基极代替。注意不要让极电极和基极碰在一起,以免损坏晶体管。
(3)判别晶体管管脚
判断PNP型和MPN型晶体管:用万用表的R×1k(或者R×100)档。用黑表笔接晶体管的某一个管脚,用红表笔分别接其它两脚。如果表 针指示的两个阻值都很大,那么黑表笔接晶体管的某一个管脚,用红表笔接其它两脚。如果表针指示的两个阻值都很大,那么黑表笔所 接的那一个管脚是PNP型的基极,如果表针指示的两个阻值都很小,那么黑表笔所接的那个一个管脚是NPN型的基极;如果表针指示的阻 值一个很大,一个很小,那么黑表笔所接的那一个管脚不是基极。这就要另换一个管脚来试。以上方法,不但可以判断基极,而且可以 判断是PNP型还是NPN型晶体管。
判断基极后就可以进一步判断集电极和发射极。先假定一个管脚是集电极,另一个管脚是发射极,按照附图6-2-5的方法估测β值。然 后反过来,把原先假定的管脚对调一下,再估测β值,其中,β值大的那次的假定是对的。这样就把集电极个发射极也判断出来了。
(4)判断硅管和锗管
用万用表R×1K档,测量三极管两个PN结的正向和反向电阻,就可以判断是硅管或是锗管。硅管PN结的正向电阻大约为3~10KΩ,反向 电阻大于500KΩ;锗管PN结的正向电阻大约500~2000Ω,反向电阻大于100KΩ。使用的万用表不同,测得的数值也不同。可以测量一下 已知的硅管,用来作为比较的标准。
6.3.1半导体集成电路型号命名法(国家标准GB3430-82)
半导体集成电路的型号由5部分组成,各部分的符号及意义如表6-3-1所示。
6.3.2集成电路芯片管脚识别
1.双列直插式芯片
双列直插式集成电路一般给出顶式管脚图。芯片上以缺口、小原点或竖线等标记出管脚“1”的位置。如图6-3-1中,左下第一脚即为1管脚,此后管脚号按逆时针方向排序。
           
 
图6-3- 1 双列直插式芯片管脚排序
表6-3-1 半导体集成电路型号命名方法
        
 
2.圆型芯片
圆型集成电路芯片给出的是底脚图。一般在其外壳上有一个突出物,由它标明最大管脚序号所在位置,起它管脚序号的排列方法有的是按逆时针方向排序,也有的是按顺时针方向排序(参阅厂家产品说明书)。如图6-3-2 所示。
 
   
图6-3-2 圆形芯片管脚排序 图6-3-3 LM741的管脚图调零电路
6.3.3线性集成运算放大器
1. 通用型集成单运放LM741
LM741的管脚图见图6-3-3,特点是电压适应范围较宽,可在+ 5~+18V范围内选用;具有很高的输入共模、差模电压,电压范围分别为 +15和+30V;内含频率补偿和过载、短路保护电路;可通过外接电位器进行调零,如图6-3-3所示。
2.通用型低功耗集成四运放LM324
LM324内含4个独立的高增益、频率补偿的运算放大器;既可单电源使用(3~30V),也可双电源使用(+1.5~+15V),驱动功耗低;可与 TTL逻辑电路相容。其管脚图如图6-3-4所示。
               
      
图6-3-4 LM324管脚图
6.3.4集成三端稳压器
1.集成三端稳压器根据稳定电压的正、负极性分为78×××,79×××俩大系列。图6-3-5,图6-3-6给出了正、负稳压的典型电路。
 
 
2.三端稳压器的型号规格和管脚分布
     
表6-3-2 三端稳压器输出电流字母表示法
       
 
例如78M05三端稳压器可输出+5V,0.5A的稳定电压。
7912三端稳压器可输出-12V,1A的稳定电压。
3.外型及管脚分布见图6-3-7。
         
 
图6-3-7 三端稳压器的管脚图
6.3.5 TTL系列集成电路组件
TTL器件的典型产品为54族(军用品)和74(民用品)两大类。下面给出部分常用器件管脚排列和功能说明。
1.74LS00 双输入四与非门,管脚图见图6-3-8
2.74LS02 双输入四或门,管脚图见图6-3-9。
3.74LS20 六反相器,管脚图见图6-3-10。
4.74LS27 三输入三或非门,管脚图如图6-3-11。
5.74LS30 八输入与非门,管脚图如图6-3-12。


         
 
图6-3-11 74LS27 管脚图 图6-3-12 74LS30管脚图
6.3.6 CMOS系列数字集成电路组件
CC4051 八选一模拟开关。它是一个带有禁止端(INH)和三位译码端(A,B,C)控制的8路模拟开关电路;各模拟开关均为双向,既可实现8线 1线传输信号,也可实现1线 8线传输信号。其管脚图及真值表见图6-3-13。
         
 
图6-3-13 CC4051 逻辑功能管脚图及真值表
6.3.7光电耦合器
光电耦合器内部由发光器件和光敏器件两部分组成,它可把由输入电流产生的光信号再转换为电信号传输出去。其内部结构原理图如图6-3-14。
        
       
   
(a)二极管型 (b)三极管型 (c)达林顿管型 (d)晶闸管驱动型
图6-3-14 光电耦合器的几种类型
6.3.8 LED数码管
常见的数码管由7个条状和一个点状发光二极管管芯制成,见图6-3-15 ,根据其结构的不同,可分为共阳极数码管和共阴极数码管两种。
LED数码管中各段发光二极管的伏安特性和普通二极管类似,只是正向压降较大,正向电阻也较大。在一定范围内,其正向电流与发光亮度成正比。由于常规的数码管起辉电流只有1~2mA,最大极限电流也只有10~30mA,所以它的输入端在5V电源或高于TTL高电平(3.5V)的电路信号相接时,一定要串加限流电阻,以免损坏器件。
         
 
图6-3-15 LED数码管内、外结构图及管脚分布
(a)LED数码管的正面图 (b)共阴极数码管等效电路(c)共阳极数码管等效电路
