工科生必知:继电器驱动电路设计原理
品慧电子讯工科学生如果告诉别人 你连继电器都不知道,那就去撞墙吧!说出来都丢人。为了让你找回面子,这里小啰嗦的讲解下继电器驱动电路的原理以及在使用和设计中的注意事项。继电器驱动电流一般需要20-40mA或更大,线圈电阻100-200欧姆,因此要加驱动电路。 1. 晶体管驱动继电器 必须将晶体管的发射极接地,具体电路如下:
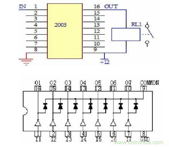
NPN晶体管驱动时:当晶体管T1基极被输入高电平时,晶体管饱和导通,集电极变为低电平,因此继电器线圈通电,触点RL1吸合。 当晶体管T1基极被输入低电平时,晶体管截止,继电器线圈断电,触点RL1断开。 PNP晶体管驱动电路目前没有采用,因此在这里不作介绍。 1.1电路中各元器件的作用: 晶体管T1可视为控制开关,一般选取VCBO≈VCEO≥24V,放大倍数β一般选择在120~240之间。。电阻R1主要起限流作用,降低晶体管T1功耗,阻值为2 KΩ。电阻R2使晶体管T1可靠截止,阻值为5.1KΩ。二极管D1反向续流,抑制浪涌,一般选1N4148即可。 2 集成电路2003驱动继电器 左图1~7是信号输入(IN),10~16是输出信号(OUT),8和9是集成电路电源。右图是集成块内部原理图。
2.1 工作原理简介 根据集成电路驱动器2003的输入输出特性,有人把它简称叫“驱动器”“反向器”“放大器”等,现在常用型号为:TD62003AP。当2003输入端为高电平时,对应的输出口输出低电平,继电器线圈通电,继电器触点吸合;当2003输入端为低电平时,继电器线圈断电,继电器触点断开;在2003内部已集成起反向续流作用的二极管,因此可直接用它驱动继电器。 2.2 检修 判断2003好坏的方法非常简单,用万用表直流档分别测量其输入和输出端电压,如果输入端1~7是低电平(0V),输出端10~16必然是高电平(12V);反之,如果输入端1~7是高电平(5V),输出端10~16必然是低电平(0V);否则,驱动器已坏。 测试条件:1.待机;2.开机。 测试方法:将万用表调至20V直流档,负表笔接电控板地线(7812稳压块散热片),正表笔分别轻触2003各脚。
