DIY必备,信号寻迹能力超强的集成电路设计
品慧电子讯本文为大家介绍一个超简单的集成电路信号寻迹器电路设计,只需一片小功率集成功放电路LM386和5个电容就能组成整机,寻迹能力极强,并且可以很方便的检出故障所在。由于声音宏亮,在检查中放及低放电路时,还可以用喇叭放音,无需老挂着耳机,使用很方便。有兴趣的可以尝试着制作。
该集成电路信号寻迹器电路简单,仅需一片小功率集成功放电路LM386和5个电容就能组成整机,而且寻迹能力极强。从调谐回路至功放电路,都能方便地检出故障所在,由于声音宏亮,在检查中放及低放电路时,还可以用喇叭放音,无需老挂着耳机,使用很方便。

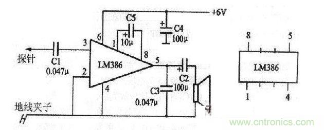
电路原理如上图所示。Cl为隔直电容;C2是输出电容;C3的作用是防止自激;C4是电源滤波电容。
信号经Cl从集成电路LM386的③脚输入,由于LM386的输入端是微电流偏置,而且有很宽的频响,所以不需外接二极管就能完成检波。信号经放大后由LM386⑤脚输出。LM386的①脚和⑧脚是增益控制,直接用10μF的电容把两脚连接起来,就可获得最高的增益。

这款超简单的集成电路信号寻迹器电路设计,是不是很合你的心意,如果有谁diy了实物,希望能够大家分享下制作过程和心得!
