基于D类功率放大的高效率音频功率放大器设计
中心议题:
解决方案:
- 音频功率放大器系统主要功能电路设计
- 音频功率放大器系统的软件设计
本文设计的基于D类功率放大的高效率音频功率放大器系统实现了对音频信号的放大处理,完成了高效率功率放大、信号变换、功率测量及显示、过流保护等功能。系统性能良好,在功率及效率方面的指标较高。放大电路、信号变换、功率测量及短路保护等部分都收到了较好的效果。
1 系统方案论证与选择
1.1 整体方案
方案①:数字方案。输入信号经前置放大调理后,即由A/D采入单片机进行处理,三角波产生及与音频信号的比较均由软件部分完成,然后由单片机输出两路完全反向的PWM波给入后级功率放大部分,进行放大。此种方案硬件电路简单,但会引入较大数字噪声。
方案②:硬件电路方案。三角波产生及比较、PWM产生仍由硬件电路实现,此方案噪声较小、且幅值能做到更大,效果较好,故采用此方案。
1.2 三角波产生电路设计
方案①:利用NE555产生三角波。该电路的特点是采用恒流源对电容线性冲、放电产生三角波,波形线性度较好、频率控制简单,信号幅度可通过后加衰减电位器控制。
方案②:对方波积分产生三角波。积分器与比较器级联,通过对比较器产生的方波积分得到三角波,频率与幅值控制只需调整某些电阻值,控制简单。但考虑积分电路存在积分漂移。
此处采用选择方案①。
1.3 PWM波产生方案设计
方案①:直接比较。取偏重与输入音频信号信置相同,幅度略大的三角波信号与音频信号直接比较,产生PWM波,后再经反向器产生一路与之完全反向的PWM波信号给后级放大电路。
方案②:双路比较。用两路偏置不同的三角波信号与音频信号的上下半部分别比较。此种方案可减少后缀H桥电路中CMOS管的开合次数,减少功率损耗,提高效率。
方案③:将音频信号直接反向。在对音频输入信号进行放大调理后直接将其反向,再对处理后信号分别进行三角波比较,从而产生两路反向的PWM波。
因方案②的效率较高且对抑制共模噪声有一定作用,故选用方案②。
1. 4 短路保护方案设计
方案①:电流互感器法。用电流互感器感应出通过负载电阻的电流,在对此电流进行处理,以判断电路过不过流。
方案②:采样电阻法。将一小值电阻串入电路中采出系统流过负载的电流,以判断电路过不过流。该方案实现简单,且接入小值电阻对此系统影响很小,故采用此方案。
2 系统总体设计方案及实现框图
如图1所示为系统的整体实现框图,系统由高效率功率放大、信号变换电路、过流保护及功率测量4个主要模块组成。其中最核心的高效率功率放大器又由前置放大、三角波产生电路、比较器电路、驱动电路、H桥互补对称放大5部分构成。输入音频信号经过前置放大电路进行放大调理后,分上下部与两路三角波信号进行比较,得到两路相互对应的PWM波;即对音频信号进行脉宽调制,而后经驱动电路增加其信号的驱动能力,再给入H桥模块,利用占空比的变化控制功率开关管的导通与截止,实现功率放大,之后再对负载上的输出进行低通滤波滤出原音频信号。在负载上将信号给入信号变化电路,将双端信号转化为单端信号,经一截止频率为20 kHz的RC滤波器后接测试仪表测试。同时在此处将单端信号真有效值检波,经AD采样后送入单片机内进行功率计算及显示。系统还有过流保护功能,0.1Ω采样电阻与负载串联,采出流过负载的电流值,经放大比较后,用继电器控制功率放大部分的供电,从而实现保护作用。系统最大不失真输出功率大于等于1 W,可实现电压放大倍数1~20连续可调,因采用D类放大方案,可达到较高的效率,输出噪声很小,功率显示误差很小。

图1 系统整体框图
3 主要功能电路设计
3.1 前置放大模块
前置放大电路采用高效率、轨对轨、低噪声运放芯片OPA350构成同相宽带放大电路。信号输入端串联电容达到隔直耦合作用。同时因单电源供电,在运放同向端给2.5V偏置。设置反馈电阻为电位器,可动态改变放大器的增益1~20倍增益连续可调。
3.2 三角波产生电路
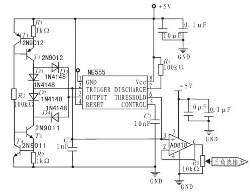
三角波产生电路如图2所示。采用NE555芯片构成三角波电路,通过恒流源对电容C1实现线性充放电从而获得三角波。开始工作时,555芯片3号脚为高电平,二极管D4导通,D3截止,从而D1导通,D2截止,由T1、T2、R1构成的恒流源通过D1对C1线性充电,当充电使C1两端电压达到2/3Vcc时,3号脚输出电平发生反转,变为低电平,此时D1、D2、D3、D4导通状态也完全相反,由下方T3、T4、R2构成的恒流源通过D2对C1线性放电,当放电使C1两端电压达1/3Vcc时,3号脚又反转为高电平,如此循环往复,实现周期三角波信号产生。由C1两端引出输出,即可得到线性度良好的三角波信号,后接一级同相跟随器已达到前后级隔离的目的。C1采用漏电流低、响应速度快的聚苯乙烯电容,保证较好性能。

图2 三角波产生电路
三角波频率、幅值计算如下:记通过电阻R1、R2的充放电电流为Io,此处Io=Vbe/R(其中Vbe为三极管的导通电压),则有
三角波周期T=t1+t2,频率为f=1/T,此电路经实测产生三角波频率为120 kHz(会与计算值有所偏差,因为三极管导通压降不严格为0.7 V)。
3.3 双路比较器电路(PWM波产生电路)
双路比较器电路采用低功耗、可单电源工作的双路比较器芯片LM393构成。此处为提高系统效率,减少后级H桥中CMOS管不必要的开合,用两路偏置不同的三角波分别与音频信号的上半部和下半部进行比较,产生两路相互对应的PWM波信号给后级驱动电路进行处理,双路比较波形图如图3所示。此处值得注意的是将上半部比较处理为音频信号接比较器的负向端、三角波信号接正向端;下半部比较则相反,这样形成相互对应,在音频信号的半部形成相应PWM波时,另半部为低电平,可保征后级H桥中的CMOS管没有不必要的开合,以减少系统功率损耗。利用电位器将上半部比较三角波偏置调至3 V,下半部比较三角波偏置调至2 V.还需注意,三角波信号应比需比较范围内的音频信号幅度稍大一些,且偏置调节要较准确,以防音频信号某些点比较不到,后续滤波还原原信号时产生失真。

图3 双路比较波形图
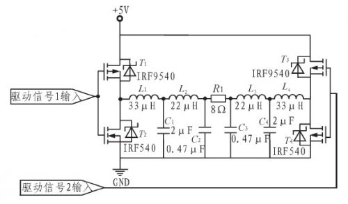
3. 4 H桥互补对称输出电路(后加四阶巴特沃斯滤波)
H桥互补对称电路如图4.采用低导通电阻、开关速率快、受温度影响小的场效应对管IRF9540和IRF540组成互补推挽放大电路。运用对称输出方式,充分利用电源电压,浮动输出载波峰峰值量大可达10 V,有效地提高了输出功率。

图4 H桥互补对称输出电路
经H轿互补对称电路放大后的两路信号分别通过一四阶巴特沃斯滤波器低通滤波,从而滤去高频载波,得出放大后的音频信号加在8 Ω负载两端。滤波器上线截止频率约为20 kHz,通频带内特性平坦,效果较好。注意此处应选择大功率电感,否则会对信号幅值有削减作用,不能达到较高功率。
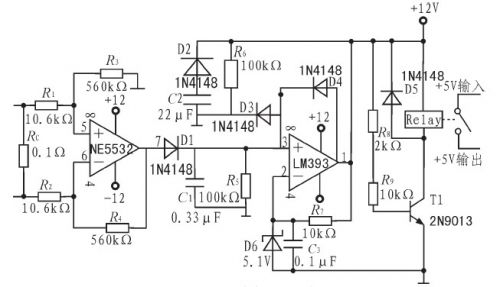
3. 5 短路保护模块
短路保护电路如图5.将一0.1Ω小电阻接入系统中,与8 Ω负载电阻串联,通过对采样电阻两端取样电压进行放大,而后再与设定的基准电压进行比较从而控制功效部分的供断电,起到保护作用。放大部分采用芯片NE5532构成减法放大器,放大的同时可将电阻两端的双端信号变为单端信号,放大器放大倍数为:![]()
经过放大后的信号经过由D1、C1、R5组成的峰值检波部分,检出信号幅度值送至比较器与设定的基准电压进行比较。比较器选用低功耗、响应速度较快的双路比较芯片LM393.比较器负端用稳压管D6及C3、R7设置为5.1V,比较器接成迟滞比较方式,一旦过流,即可自锁。此时比较器输出的高电平使三极管T1导通,继电器的地控制端与地联通,继电器吸合,切断功放部分的供电,达到保护目的。因比较器自锁,所以在解决过流问题后,关断保护模块的电源,才能重新进入保护状态。D2、D3、R6、C2组成开机延时电路,在断电后,C2通过D2快速放电,防止开始瞬间C2上的残余电压对3号脚影响,防止比较器在非正常状态下进入自锁状态,使保护模块不能发挥正常作用。

图5 短路保护电路
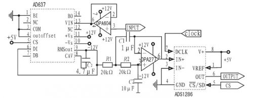
3. 6 功率测量及显示电路(有效值检波及AD转换电路)
功率测量电路采用真有效值检波芯片AD637检出信号真有效值,再经12位串行接口、20kHz采样率AD芯片ADS1286采样后邀至FPGA内由程序进行处理,计算出功率并显示。如图6所示。

图6 功率测量及显示电路
输入缀用OPA604构成一射极跟随器已达到隔离前后级的作用。改变平均电容的值可设定平均时间常数,并决定低频准确度、输出波纹的大小和稳定时间。交流波纹分量可以用增大此电容的值来减少,但这样会使建立时间增大,所以选择用后接一个二阶有源低通滤波器的方法来减少输出的纹波。得出真有效值后直接给入ADS1286进行模数转换,再由FPGA处理,计算出系统的输出功率并进行显示。
4 系统软件的设计
根据题目要求,要实现对系统功率的测量和显示功能,硬件上采用8位CPU AT89S52,通过C51编程实现。单片机圭要完成对ADS1286的控制、采入数据、计算功率和送显示的功能。而FPGA(采用Atera公司的Cyclone系列的EP1C6QC240)则作为一个总线控制器,对液晶和A/D与单片机之间的数据交换进行管理。采用VerilogHDL语言在Quartus9.1的环境下编程实现。
5 测试方法和结果
5.1 测试仪器
15 MHz函数信号发生器 型号:Agilent33120A
数字示波器 型号:Tektronix TDS 1002,双通道,60 MHz
直流电源 型号:SG173SB3,稳压稳流型
四位半数字多用表 型号:Fluke 45 dual display multimeter
5.2 测试方案及结果分折
1)功率显示误差测量用Agilent信号源给出输入音频信号,示波器在单端输出测试点测负载上电压峰值Vo,据式计算出实际功率,进而计算出显示误差,结果见表1所示。

表1 放大电路通频带性能测试数据表
从表中数据可知,系统功率显示模块具有4位数字显示,精度优于5%,且误差较小。
2)噪声 用Agilent信号源给出输入音频信号(保证信号频率20 kHz以下),用0.1μF电容进行输入端对地交流短路,用示波器在输出端测量噪声大小。此时测得噪声为2.96mV.
3)效率测量 用直流电源对功放电路单独供电,以便测试效率。供电电压+5 V.用与测通频带相同的方法给出给出输入信号,用示波器观察输出信号幅值,调整输出为200 mW及500 mW,将四位半数字多用表串入放大器电路中,测出电路电流I.根据式计算出功率放大器效率,结果见表2所示。

表2功率放大电路效率测试数据表
从表中可以看出,在输出功率为500mW时,功率放大电路效率高达64.10%,大大满足了题目要求;在输出为200 mW时,效率也达到了43.96%.系统可以实现高效率音频放大。
4)过流保护测量用与测通频带相同的方法给出给出输入信号,用示波器观察输出信号幅值,将负载两端短路,可看到短路模块警示灯亮,功率放大部分的电源被切断,输出变为零,达刭保护目的。
6 结论
系统实现了对音频信号的放大处理,完成了高效率功率放大、信号变换、功率测量及显示、过流保护等功能。系统性能良好,在功率及效率方面的指标较高。放大电路、信号变换、功率测量及短路保护等部分都收到了较好的效果。尤其在功率方面可达到1.16 W,效率可达到64%,噪声很低,功率测量显示误差较小。操作简单,人机交互灵活。
