【DIY】设计汽车音响扬声器的保护电路
中心议题:
- 扬声器保护电路的工作原理
- 扬声器保护电路的元件选择
- 扬声器保护电路的制作与调试
本文从扬声器保护电路的工作原理、元件选择及制作与调试三个方面手把手教你DIY汽车音响扬声器的保护电路。
一、扬声器保护电路的工作原理
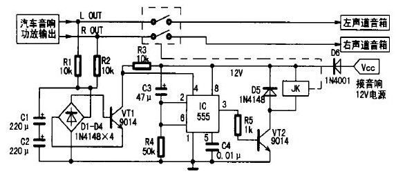
扬声器保护电路如图1所示。主要由中点电位检测电路、延时电路及继电器等组成。电路工作过程是:

图1 扬声器保护电路
1.在接通音响电源的瞬间,因电容C3两端电压不能突变,可视为短路,则时基电路555的②、⑥脚电位高于2/3 Vcc,故555处于复位状态,③脚输出低电平,晶体管VT2截止,继电器JK常开触点不动作。同时+12 V电压通过电阻R4向电容C3充电,延时约5s(秒钟)后555的②、⑥脚电位降低至1/3Vcc,555被触发置位,③脚由低电平变为高电平,晶体管VT2导通,继电器JK得电,常闭触点闭合,从而实现了延迟一段时间将扬声器接入功放,彻底消除了开机时大电流对扬声器的冲击;
2.关闭音响电源时,+12电压很快消失,但功放输出信号并没有立即消失,同样避免了关机过程产生的冲击噪声;
3.当功放工作异常或者意外损坏而导致中点电位过高(高于1.8 V)时,直流电压经R1、R2限流,送至C1、C2滤波及D1~D4整流,约1~2s(秒),晶体管VT1导通,555的④脚由高电平变低电平,555被直接复位,③脚输出低电平,晶体管VT2截止,继电器JK失电,常开触点跳开,将扬声器与功放电路断开,有效地保护了扬声器不受损坏。
改变R4、C3的参数,可调整扬声器保护电路开机延迟时间的长短,一般设为5 s(秒)即可。
二、扬声器保护电路的元件选择
555一定要选用功耗很低的CMOS时基电路。VT1、VT2用9014、C1815型小功率塑封晶体管,要求电流放大倍数β>100.D1~D5均用1N4148型硅开关二极管,D6用于电源接反保护,可选用1N4001~1N4007型硅整流二极管。R1~R5均用0.5 W五色环金属膜电阻。C1、C2用优质铝电解电容,C3要选用漏电小、精度高的钽电解电容,否则将影响延时精度。JK选用12 V/7 A双联型继电器(左、右声道各用一组),如JZC-22F.
