25kW电动汽车SiC直流快充设计指南:经验总结
在我们的系列参考设计文档中,我们详细描述了25 kW直流快充模块的开发过程。本白皮书则主要探讨25 kW直流快充模块的开发和测试中硬件和固件设计以及调试阶段的技巧与诀窍。我们将介绍如何测试和微调去饱和保护功能,分析SiC MOSFET漏极电压振铃的原因,以及添加缓冲电容的好处。此外还考虑如何在环回测试中使用比待测器件(DUT)功率更低的设备来测试DUT。最后,我们将讨论相移双有源桥控制算法设计。
简介
以下图1是25 kW电动汽车直流快充系统的高级框图,主要由PFC级和相移双有源桥DC-DC级组成。
图1 25 kW电动汽车直流充电桩的高级框图
在任何电源转换器设计过程中,都必须实施硬件保护,这一点很重要。事实上,功率开关器件是转换器的核心,设计人员需要在确保系统在各种特定的场景中提供保护功能。在这些场景下,过压和过流保护是基本要求。这两种保护可以采用多种方法实现:相对简单的方法,例如在关键回路添加阻容元件,形成所谓的缓冲器(Snubber),有助于限制电压峰值;另一种较为复杂的方法,就是在瞬时条件超过预定标准时,阻断器件运行。
采用这种方法时,比如我们在开发双有源桥式转换器时采用了这种方法,在转换器的两侧添加具有指定阈值和迟滞的电压比较器来实现过压保护,在DC-Link过压时阻断栅极驱动器。
类似的方法也适用于过流保护解决方案。利用自带过流保护功能的栅极驱动器就可以方便地解决问题。使用具有去饱和保护(DESAT)功能的NDC57000栅极驱动器,可降低BOM成本并提高产品市场竞争力。在下一部分中,我们将介绍在硬件启动测试阶段进行的PFC级和DAB DCDC级DESAT阈值的测量和评估,这在控制固件(FW)调试之前是必不可少的。在DAB DC-DC级,我们则着重于增强DESAT保护功能,以实现宽输出(200 V至1000 V)工作电压范围。
全数控电源转换器中的关键硬件功能是硬件保护、过流和过压保护,旨在防止功率半导体器件在过流或短路期间消耗过大的功率。这可以防止出现过压尖峰,避免损坏功率半导体。硬件保护在控制算法启动和调试阶段至关重要,因为此时经常会发生不可预测的MOSFET开关,会导致功率器件烧毁,而需要消耗时间和成本进行处理,非常麻烦。
PFC 级 DESAT 保护
PFC级中使用的NCD57000隔离式栅极驱动器具有DESAT保护功能,有助于对所用的PIM SiC MOSFET进行过流保护设计。“25 kW SiC直流快充设计指南(第六部分):用于电源模块的栅极驱动系统”描述了设计过程 。我们在硬件启动阶段评估了DESAT功能,并测量了DESAT动作阈值电流和SiC MOSFET软关断时间。
用于高压侧SiC MOSFET的DESAT动作电流评估的测量原理如图 2 所示;左边是高压侧、右边是低压侧SiC MOSFET测量。我们选择了与应用的DC-LinkDC-Link电压相同的测试电压,即 800 V。通过栅极测试脉冲导通待测高压侧SiC模块,使DESAT保护动作。假设直流电阻可以忽略不计,所以流经待测SiC MOSFET的电流上升di/dt仅受150μH的串联PFC电感的限制。电流上升可由下式表示。
图 2 PFC级DESAT动作电流硬件启动测试
高压侧SiC MOSFET(左)和低压SiC MOSFET(右)
在“25 kW SiC直流快充设计指南(第六部分):用于电源模块的栅极驱动系统”中,针对800 V DC-LinkDC-Link电压,我们计算出 DESAT阈值电流理论值为85÷115 A;应用手册AND9949对计算过程进行了详细阐述,测量在25 °C室温下进行。需要注意的是,DESAT阈值水平还取决于SiC MOSFET、栅极驱动器和DESAT保护电路中元件的温度。
根据图3中的测量结果,SiC MOSFET的导通时间为25至27 ns,软关断时间为700 至 710 ns(当DESAT工作时)。高压侧DESAT动作阈值的测量值为75 A,低压侧为72 A。我们评估了所有原型设计并测量了DESAT阈值,得出68 A - 117.7 A 的范围。由于PFC级在26.5 kW(1.5 kW是25 kW PFC级的功率裕度)和207 VRMS 时的最大相电流应为 70 A,因此我们将PFC 级中的DESAT阈值提高了20%,以便在85 A - 90 A范围内的最小电流阈值下激活。
对于商用量产产品,进行评估说明必不可少,应使用足够的样本进行测量,以便对所用电子元件的数值公差引起的变化进行可靠评估。
图 3 DESAT跳闸电平测量
高压侧(左)和低压侧(右)SiC MOSFET
为了解环境温度对DESAT电流阈值水平的影响,我们在25 °C和50 °C下对同一样品进行测量;DESAT动作阈值增加了5.4 A。在两种温度条件下的测量结果如图4所示。这一测量结果表明,针对整个工作电压范围和整个温度范围设计DESAT保护是多么重要。
图 4 25 ℃(左)和50 ℃(右)下的DESAT动作电流
备注:图2中的测试仅评估了一个SiC MOSFET发生短路故障时的动作电平;该测试并未评估电流从高压侧流向低压侧SiC MOSFET时的上下桥臂短路情形。发生桥臂短路时,电流不再受到限制。DESAT保护不能有效地保护SiC MOSFET,因为主要限制因素(即串联的PFC电感)限制了电流上升,如公式(1)所示,从而允许DESAT在所需电流水平下作出反应,避免大电流继续流过MOSFET。
DAB DCDC级的DESAT保护增强
与PFC级相同,双有源桥转换器DCDC级也使用了具有DESAT保护功能的NDC57000栅极驱动器。原理上来说,这种保护利用电源路径端子两端不断改变的压降来监控流过驱动开关器件的电流水平。当然,必须了解开关器件的特性才能进行正确的过流保护配置。虽然数据手册提供了基本信息,但通常不会很详细并且贴合应用案例,因此无法准确选择器件。样机测试固然重要,电路仿真工具在设计过程中也很有帮助。如图5的部分电路图所示,建议的驱动电路遵循NCD57000数据手册建议。
图 5 NCD57000栅极驱动电路图
尽管计算去饱和阈值电阻(图5中的R27A)看似简单,但却未必如此,因为RDS,ON参数并不是恒定的;它随栅极电压以及流经器件的瞬时电流而变化。根据器件数据手册中提供的数据,而简单地将这两个关联项结合起来,以获得实际RDS值,并用于RDESAT 值计算,这并非一项简单的任务。若有器件仿真模型会更容易实现。
由于NCD57000的完整仿真模型尚未公布,我们建立了其去饱和功能的简化模型,该模型可与开关器件结合使用。仿真结果显示,DESAT静态阈值取决于电阻R1。原边半桥的电阻初选原边14.3 kΩ,副边副边半桥阻值选择13.3 kΩ ,因为在某些条件下,副边副边电流会稍高一些。图6所示为仿真栅极电路图。
图 6 NCD57000栅极驱动器仿真电路图
图7显示了不同R1电阻值下仿真得到的DAB DESAT保护静态阈值。
图7 不同R1下仿真得到的DAB DESAT保护静态阈值
与PFC级一样,DAB DCDC级的去饱和保护也得到了验证。下图为两侧功率级的简化示意图,包含功率电感和变压器。
图8 两侧功率级的简化图,包含功率电感和功率变压器
可能的故障条件数相对较多。因此,我们为去饱和保护测试选择了以下可能的情况,以限制测试次数,确保设置简单且可重现:
? 原边原边开关——副边副边短路仿真(图 9)
图9 副边短路仿真副边
? 副边副边开关 – 原边短路仿真原边(图 10)
图10 原边短路仿真原边
在测试期间,所有开关均保持关断状态,除了待测开关。理想情况下,需要能够产生单脉冲的专用测试软件。如果没有测试软件,可以考虑选择最小开关频率大约1 k Hz的,具有产生长脉冲的占空比(推荐范围>200 - 300 μs)。脉冲必须足够长,以使待测开关所经受的DC-LinkDC-Link电压和有效电感的特定组合能够在一个脉冲内达到预期的去饱和电流阈值。通过假定所选测试电压(正常工作电压)、DESAT保护动作时的峰值电流,以及变压器的漏感和原边串联谐振电感,就可以通过公式 (1) 计算所需时间。
图11所示为的DAB原边测量的典型波形如图11所示。
图11 原边原边DAB DESAT阈值测量
R27A(图 5)14.3 kΩ
DC-LinkDC-Link为400 V时,最大电流达到145 A,而DC-LinkDC-Link 800 V时,该电流高达248.1 A。这似乎有点奇怪,因为静态阈值仿真显示当Rdesat = 14.3 kΩ时,动作电流为109.9 A。不仅如此,400 V和800 V下达到的最大电流还存在相当大的差异。可以通过增加设置电阻来降低DESAT动作阈值。
因此,将Rdesat 14.3 kΩ增加到15 kΩ后重新测量:
图12 原级原边DAB DESAT阈值测量
R27A(图 5)15 kΩ
出乎意料的是,2种电压下的最大阈值电流与预期不同;电流本应下降大约30 A,但实际在400 V时下降了8 A,在800 V时增加了4 A,高达251.9 A。副边副边的情况似乎更糟,一旦原边原边短路,其有效电路电感会更低些。如图13所示,700 V时最大电流达到282.6 A,其中Rdesat设置为16.2 kΩ。因此,未在800 V和920 V下进行测试。
图13 副边副边DAB DESAT阈值测量
R27A(图 5)16.2 kΩ
因为仿真显示Rdesat为16.2 kΩ时,静态动作阈值为26.1 A,所以肯定有问题或是理解有误。所以我们使用NCD57000数据手册,在SPICE中对去饱和保护电路进行建模,以研究电路如何工作。图 14所示为仿真电路。
图14 利用SPICE对NCD57000栅极驱动电路进行仿真
图15描绘了几个已完成仿真的DESAT保护功能激活期间的典型关系,并解释了在上述测试期间测量的最大电流值,其识别顺序如下:
栅极驱动器激活其源极输出,以开通模块中的晶体管——在仿真2 μs后不久
一旦栅极-源极电压(绿色迹线)达到栅极开启电压,漏极-源极电压就会开始降低。请注意,在所有这些测试中,初始漏极电流均为0 A。
漏源电压的快速下降会导致DESAT输入电压反转。它源于先前在D1和D2高压二极管中累积的反向偏置电荷。如NCD57000应用手册AND9949所述,上述仿真模型中的D3二极管限制了该反向电压。
DESAT充电电流源在前沿消隐时间(~450 ns)之后导通。在导通后的这段时间消逝前,DESAT保护实际上是无效的。
26.1 A的漏极电流应该与16.2kΩDESAT电阻相关,大约在DESAT前沿消隐时间结束时达到(此处只是巧合)。请注意,即使消隐时间结束前已经达到漏极电流静态阈值,栅极驱动器也不会做出反应。
图15 DAB级副边副边DESAT保护激活期间的各参数波形变化
DESAT充电电流源(0.5mA)对DESAT电容进行充电——DESAT引脚电压开始上升。
一段时间后,DESAT电压在仿真时间约为3.6 μs时超过9.0 V标称阈值电平。同时,由于漏极影响,在55 A/μs的电流变化下,漏极电流将达到85.5 A。请注意,栅极驱动器仍然没有反应。
即使达到了DESAT阈值,还需要经过额外的320 ns滤波/消隐时间,漏极电流以恒定斜率进一步上升。
最后,在104 A的漏极电流下,栅极驱动器在DESAT滤波时间后激活所谓的软关断过程,此时将栅极吸收吸收电流限制在大约70 mA。其目的是限制漏极di/dt,以使电源路径寄生电感上的漏极-源极过电压不会损坏MOSFET。在测量波形中,可以明显看到漏极-源极电压转换速度也低很多。
如图所示,栅极吸收吸收电流降低意味着在给定条件下,当漏极-源极电压上升时,在下一个3.1 μs后首先出现栅极阈值电压电平。但漏极电流仍然高速增加并达到252 A。
再过约0.7 μs后,驱动器完成软关断过程,电流达到277.8 A,与 Rdesat电阻值无关。
请注意,上图中的蓝线为漏极电流,尽管它是L1(图14)电感电流。将其纳入图表是为了与样机测试保持一致。直接测量漏极电流几乎是不可能或不切实际的,因为它会改变电源模块的电源进出路径。相反,测量电源模块开关节点的电流可以非常快速地完成。
从结果来看,很明显,DESAT保护在其给定设计状态下可能不会提供实际的过流保护。很可能会达到并超过342 A的最大功率模块漏极脉冲电流,尤其是在DC-Link电压为800 V及以上的副边。
这意味着需要进行一些调整来解决这个问题——可以应用不同的方法。调整应尽量简单,从仿真和测量波形来看,在软关断过程中将栅极吸收电流从70 mA(最大值)适当增加一点可能是有益的,尤其是当第一阶段至栅极-源极平坦区域短路时。如上所述,漏极电流增加了约150 A,这基本达到了大部分的最大电流水平。
必须记住,DESAT仍应采用软关断,并且当DESAT保护未激活时,附加电路不应影响工作。
此外,这里的电路仿真是建设性的。最终,我们仿真了各种选项,并重新设计了栅极驱动电路,将一个PNP晶体管Q1 NSS60600添加到吸收电流通道。如下面的仿真电路图所示,这是权衡软关断速度和最大漏极-源极电压之后做出的折衷选择。
图16 NCD57000栅极驱动电路的SPICE仿真,添加了Q1 PNP晶体管
我们对原型板进行了相应修改,并重复进行上述测试,随后微调了Rdesat的值,以使DESAT保护不会过早介入。针对原边A低压侧开关捕获到以下波形:
图17 原边低压侧SiC的DAB DESAT阈值测量
Rdesat 13.8 kΩ和添加的Q1 PNP晶体管
如图所示,在原边的800 V下,最大漏极电流达到150 A,而之前测试结果为248 A。此外,400 V和800 V时的最大漏极电流之间的差异也没有以前那么大。正如预期,最大漏极-源极电压增加,但测得的890 V(最大值)仍然在1200 V电源模块额定值范围内。此外,图18中的副边测试现在是安全可行的;即使测得的di/dt斜率超过60 A/μs,在800 V下测的与上述相同的副边开关达到的最大漏极电流仍低于200 A。在经过上述修改的两块板上测得的最大漏极电流不超过210 A。最大漏极-源极电压低于1020 V。我们发现并证明该解决方案足以满足DAB DC-DC应用要求,在常规操作和测试期间未发现任何性能损失。
请注意,所有测试在室温下进行;在商用产品开发中,对于在设计阶段根据产品要求评估整个温度工作范围来说,DESAT动作电流阈值至关重要。
图18 副边低压侧SiC的DAB DESAT阈值测量
Rdesat 13.862 kΩ和新增的Q1 PNP晶体管
PFC 级 PIM SiC 布局
SiC应用通常工作在高dv/dt。在25 kW直流充电模块设计中,我们把dv/dt控制在20 至40 V/ns范围。要达到高电压变化率并使设计保持低漏极过冲,需要使用合适的DC-Link电容和缓冲电容。为了使电流环路面积尽可能小,以达到低寄生电感水平的走线,需要优化布局。
图19所示为PIM SiC半桥模块连接示意图,其中栅极驱动导通电阻为4.7 Ω(R29和R37),关断电阻3.3 Ω(R31 和 R39),并且DC-Link电容和缓冲电容连接至DC+ 和 DC- 轨。我们将250 nF Ceralink电容C24用作缓冲电容,DC-Link电容C25则选用75 μFF薄膜电容(Foil Capacitor)。
为了使PIM驱动回路靠近PIM模块,我们在每个SiC PIM模块上使用三个薄膜电容和一个Ceralink 电容。在图19的示意图中,我们使用了特定的PIM模块;因此,PFC级的每相在PIM SiC模块上都有缓冲电容和薄膜电容。图19 中的这种电容连接方法有助于在SiC MOSFET和缓冲/DC-Link电容 LP+ 和 LP? 之间保持低寄生电感,这有助于减少快速开关的SiC MOSFET的漏极电压振铃。
图19 SiC半桥PIM模块示意图,带缓冲电容和DC-Link电容,并突出显示了正负电源轨的寄生电感,从高dV/dt开关角度考虑低寄生电感至关重要
25 kW PFC级PCB布局如图20所示,蓝色部分表示从三相交流通过PFC电感和SiC PIM模块到直流输出800 V的主电源路径。从SiC应用角度来看,正负轨之间每个SiC PIM模块(PIM A、PIM B 和 PIM C)的缓冲电容和DC-Link电容的PCB布局尤为重要。该布局必须在开发初期的PCB Layout阶段就已完成。
蓝色方块突出显示了电容Cfilm和CCERALINK。PCB上这样的电容布局可使高频电流回路靠近特定的SiC PIM模块。此原理图连接和PCB布局可确保每个PIM模块在正负DC-Link轨之间的电流环路较短,从而消除了漏极电压振铃的PCB寄生电感效应,这在具有高dv/dt 的SiC MOSFET应用中至关重要。
图20 25 kW PFC级PCB布局
蓝色方块突出显示靠近每个SiC PIM模块的缓冲电容和DC-Link电容的布局
在10 kW功率水平进行测量时,我们测量了每个SiC PIM模块的漏极-源极开关波形,以验证开关性能是否较佳并评估漏极电压振铃。图21所示为SiC PIM C实测波形;SiC MOSFET的dv/dt测量结果在28 到32 V/ns的范围内,此值不包括振铃信号的转换速率。
图21中SiC PIM C实测波形呈现严重的漏极电压振铃;如箭头突出显示,峰值漏极电压达到960 V,从电容降额和SiC MOSFET的角度来看,这是不可接受的。这种振铃通常也会对EMI性能产生负面影响。
图21 10 kW输出功率下SiC PIM C模块的漏极-源极开关的实测波形
我们通过分析SiC PIM C模块的PCB布局来确定振铃的可能来源,基本上是由缓冲电容和SiC晶体管漏极之间的高寄生电感引起的。我们看到PCB走线会产生额外的寄生电感Lp,其中并未像PIMA和PIMB SiC模块那样使用Ceralink缓冲和薄膜DC-Link电容从另一侧端接(如图20所示,靠近PIMC模块)。PCB走线长度似乎可以忽略不计,但在这里我们可以看到SiC MOSFET应用的一个经典示例,说明PCB布局的重要性。
为了抑制漏极电压振铃,我们在PIM C SiC模块附近添加了一个 100 nF高压陶瓷电容,如图20所示。我们在相同条件下再次测量了PIM C模块的开关波形,以了解添加100 nF陶瓷缓冲的影响。图 21显示了抑制振铃的实测开关波形。现在,开关波形可接受了,同时图21中160 V左右的漏极电压过冲值也减少到约25 V 。
图22 10 kW 输出功率下SiC PIM C模块的漏极-源极开关实测波形,在PIM C模块附近添加了100 nF高压缓冲电容
如此一来,我们可以认为振铃问题已经解决。下一个重要步骤是评估缓冲器温度以及是否会发生过热,因为缓冲器温度高会降低电容的使用寿命。尝试在AND90103中描述的内部带有缓冲电路的SiC PIM模块,或者对缓冲电路进行重新设计(如RC缓冲电路),这样就可以通过减少功耗来降低缓冲电容的温度。另一种选择是更改PCB布局,通常用于降低漏极电压振铃。
图23我们可以看到在26.5 kW输出功率下运行1.5 小时后,25 kW PFC级PCB布局底部的红外摄像头照片。Sp5是添加的100 nF陶瓷缓冲电容的温度。为便于比较PCB红外图片与PCB视图,图23与图20以相同的视角显示。添加的陶瓷缓冲电容的温度达到 91.9 °C,有些太高了;因此,设计人员必须使用上述选项重新设计电路。
图23 在26.5 kW输出功率下运行1.5小时后,25 kW PFC级PCB布局底部的红外摄像头视图。Sp5是添加的100 nF陶瓷缓冲电容的温度。
下图所示对PFC原型进行PCB布局修改将全面降低图23中的PCB走线温度(sp1、sp2 和 sp3)。为了估计需要对PCB进行哪些更改,我们重新制作了一个样机,并通过增加铜线来加宽温度最高的走线。图24是一个重新制作的样机示例。左图为未重新制作的800V DC输出走线,右图则是同一视角,但采用了2 x 2.5 mm2导线以加固走线;可以看到这部分走线的温度下降了43 °C。
就测试结果而言,我们可以采用更粗的铜线,但设计人员必须牢记最终产品的可制造性和隔离要求。因此,在制造中必须有选择地考虑方案。另一种选择是添加隔离SMT母线条来加固PCB走线。
图24 25 kW PFC级PCB布局
左:最大输出功率为26.5 kW时的800 V DC输出走线
右:同一视角,但采用了2 x 2.5 mm2导线以加固走线
控制设计
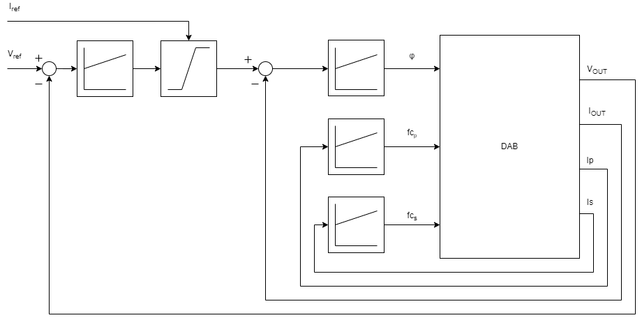
该快速充电器在PFC和DAB中具有多个闭环控制器。我们将以DAB为例分享我们对控制器增益设计的考虑;图25显示了其控制结构的概览。
图25 DAB控制框图
有四个PI控制器会影响DAB输出。其中两个将变压器两端的平均电流控制为零,防止直流电流积聚——这是防止变压器饱和所必需的。与这两者并行的是输出电流控制,它可以改变原边和副边之间的相移,以实现所需的输出电流。最后,电压控制器叠加在电流控制器上,改变电流以实现预期电压。然而,其输出受限,允许 DAB利用所需的CC/CV特性对输出进行充电。
所有这些控制环路都会影响DAB输出,因此会相互振荡并导致不稳定。然而,通过选择增益以产生明显不同的动态特性,可以将这些闭环相互去耦,从而简化其设计。在图26中,这些环路的频率响应突出显示了这种去耦。
图26 DAB闭环的频率响应
原边磁通补偿、输出电流控制和输出电压控制的-3 dB频率分别为 7.5 kHz、1 kHz 和 100 Hz左右——这种明显差异使得三个控制环路各自具有独立的表征。最快的磁通补偿设置可确保DAB始终在变压器不饱和条件下运行。电流环路比电压环路快一个数量级,这很有必要,因为内部(电流)环路必需比外部(电压)环路快。可以通过仿真模拟这种设计方法对系统输出的影响。图27显示了该仿真的结果。
图27 DAB启动(阶跃响应)仿真结果
图28显示在其输出电容中剩余电压约为180 V时,转换器启动。目标电压为300 V,电流限值为10 A。输出侧没有负载。该控制机制不具备磁控软启动功能,导致在运行开始时通过变压器两端的直流电流较大——通过磁通补偿可将其快速控制为零。电流控制要慢一个数量级,可以看到在4 ms后达到了某种程度的稳定状态。
电压环路则再慢一个数量级,它在15到20 ms后达到稳定状态。该仿真显示在DAB工作时不存在任何不稳定状态。然而,必须通过测量相同的工作点确认动态响应与仿真结果类似。下图显示了该测量结果。
图28 DAB启动(阶跃响应)测量结果
仿真和测量结果显示输出电压稳定并为DC-Link电容成功充电。此外,它们的动态行为非常相似,不仅验证了仿真模型,也证实在转换器控制开发过程中采用的模型基础设计方法有效。
环回测试
不建议在应用中测试大功率电力电子设备。使用快速充电器从电网为高压电池充电时,应确保能够安全运行。因此需要一个专用测试环境来进行快速充电器的集成测试和调试。除了测量设备和安全设备外,还需要大功率电源(交流和直流)和负载。这些设备可能相当庞大且昂贵。然而,可以通过转换器并行操作来规避这些问题,如图29所示。
图29 环回测试框图
两个PFC连接到同一个交流电源,它们各自的直流输出连接到DAB的输入和输出。高频滤波器将功率转换器上产生的开关噪声相互隔离。PFC1控制其输出电压,从而控制DAB的输入电压,而 PFC2控制其输出电压,即DAB的输出电压。DAB在CC模式下运行会导致能量流过所有三个转换器。
该图显示了DAB正输出电流方向。大部分能量在红色箭头所示的圆圈内流动。交流电源只需提供由回路内所有元件产生的损耗——比25 kW时1.5 kW损耗的循环功率要低一个数量级——这样仅使用交流电源就可以进行高功率测试,对输出功率的要求显著降低。图30显示了这种测量方法的设计。
图30 安森美实验室的环回测试设置
DAB必需提供隔离,因为PFC会在其DC-Link上引起共模电压。通过开启所有高压侧或低压侧开关,在每个开关频率下将零矢量应用于交流输出。将两个PFC连接到相同的直流端和交流端,会在零矢量期间导致无用电流流动。想象一下在所有上桥臂开关开启时对一个PFC应用零矢量,而另一个PFC则完全相反。图31所示为简化框图。
图31 未提供电隔离时零矢量期间的电流路径
两个PFC在同一DC-Link上的耦合构成了电容上的一条闭合回路(如图31红色部分所示)。在零矢量期间,该回路会在电网侧电感两端施加电压,从而影响PFC正常工作,同时导致不受控制的电流。
来源:Onsemi
