为什么电机驱动是工业企业实现“碳中和”的关键技术?
品慧电子讯:前不久,世界气象组织(WMO)在最新的气象通报中表示,未来5年,全球年均温度将有50%的概率至少有一年暂时比工业化前水平高1.5摄氏度。该机构提示这会带来严重的影响,70%-90%珊瑚礁将消失,海平面上升等等。二氧化碳含量增加是最大的罪魁祸首。
为了避免全球年均温度进一步上升,突破《巴黎协定》所规定的2摄氏度目标,在21世纪下半叶实现“碳中和”,不仅是世界各国的国际责任担当,也是降低人类生存威胁必须要做的。
为实现“碳中和”目标,每一个高耗能的环节都需要得到改善,比如电机。根据国际能源署最近的一项调查,电机耗电量占工业领域耗电量的大约2/3,占全球耗电量的大约46%。因此,提升电机能效、高效驱动电机是实现“碳中和”的关键。今天我们就来聊一聊如何系统地改善电机能效,贸泽电子网站上在售的电子元器件如何能够帮助广大设计者。
高效电机助力“碳中和”
电机是指依据电磁感应定律实现电能转换或传递的一种电磁装置。从定义可以看出,电机是靠电力来驱动的,正如上述数据所体现的,电机是世界上耗电量最大的单种类设备。
上述数据已经提到,电机耗电在全球工业耗电中占比很高,在中国情况也是类似的。统计数据显示,中国电机每年耗电量占全社会用电量的69%,占工业用电的75%。造成这种情况的主要原因是中国绿色电机渗透率不足,《电机能效提升计划2018》中提到,2018年中国高效电机渗透率仅为3%。参考中国工业经济联合会方面的数据,目前这一关键指标仍不足10%。而《工业能效提升计划2022》则要求,2025年新增高效电机的占比要达到70%以上。
如果高效电机能够普及,将对实现“碳中和”目标有重要意义。根据中国国家统计局数据统计,2021年中国火力发电占发电总量的71.13%。全球方面,2021年全球化石能源发电占总发电量的62%。从这一维度看,电机间接导致了全球二氧化碳含量的上升,提升电机能效将会显著减少能源需求,降低全球二氧化碳的排放量。
想要提升电机的能效水平,首先可以从电机适配角度去考虑。比如永磁同步电机就比较适用于负载变化比较频繁、且空载情况较多的应用场景,比如车床、机床和拉丝设备等,能够起到很好的节能效果。
也可以从电机设计角度入手,通过改良相关设计来降低损耗并提升散热效果。一般电机的损耗主要包含以下几种——铁心损耗、定子/转子铜损、风磨损耗以及杂散损耗,每一个环节都有持续改良的空间。比如使用铜绕组的电机可以通过增大铜线的线径,大幅减少铜线的绕组,进而降低损耗,并减少散热。
为了能够降低电机的能耗,厂商也会专门打造节能技术,变频调速就是一项典型的节能技术。传统电机在工作的过程中,当负载大幅减小或者空载时,输入功率并没有改变,只是输出功率发生了变化,这样就浪费了大量的电能。通过采用变频技术,电机的能效能够得到大幅提升。相关电机厂商的数据显示,变频技术一般能节电10%-50%。
另外,更智能、精准的电机控制系统也可以帮助提升电机能效。电机控制讲究“一升一降”,其中“一升”是指提升电机FOC(field-oriented control,磁场导向控制)控制算法效率,“一降”则是要降低功率器件损耗和电机损耗。目前,在电机FOC控制算法里,已经广泛出现深度学习和人工智能算法相结合,这些算法能够持续优化电机的效率,提升控制位置的精准度,减少不必要的电流损耗。
最后,就要谈到我们今天的“主角”——电机驱动。观察各大原厂的解决方案后不难发现,目前“电机控制和驱动”是一个融合概念,这其实很好理解,因为电机控制是“决策系统”,和控制算法强相关,而电机驱动是“执行系统”,后者接收到前者的控制信号,然后将电机转动到特定的角度,送到特定的位置。电机驱动有专门的驱动器以及配套的驱动电路,要想从这一点上提升电机能效,就要从以下几个方面入手。
针对电机驱动器,导通和开关损耗小的驱动器能够帮助设计者显著降低系统损耗,同时电机驱动的变频化也是大趋势。比如在交流电机的驱动上,通过使用变频驱动器取代单速控制,也能够实现电机的电子速度控制和更高的驱动能效。在配套电路上,专门优化的电路结构往往能够起到很好的节能效果。比如电机驱动电路对于桥电路的使用,我们进一步以汽车电机驱动为例,这里驱动系统实际上就是逆变器,在逆变器电路中往往会使用多个半桥电路,以此来提升系统效率。还有一个重要的方向是提升电机输入电压值,这样便能够大大减小恒功率时段电机的损耗,不过这种趋势也对电机驱动保护电路提出了更高的要求,需要更高性能的保护元器件。
通过上述方法,便能够大幅降低电机的能耗,对实现“碳中和”目标有巨大的赋能价值。接下来,我们就来看一下,贸泽电子网站上在售的元器件,如何在一些具体的环节中发挥重要价值。
Littelfuse栅极驱动器
在电机驱动的过程中,驱动信号来自微控制器或者微处理器,但是这个信号并不能够直接启动电机驱动系统,需要经过栅极驱动器将电压或者电流放大。因此,栅极驱动器是电机驱动系统里的基础器件,也是不可或缺的器件。
我们今天推荐的第一款器件便是来自制造商Littelfuse的栅极驱动器,贸泽电子网站上的制造商编号为LF2136BTR。
LF2136BTR
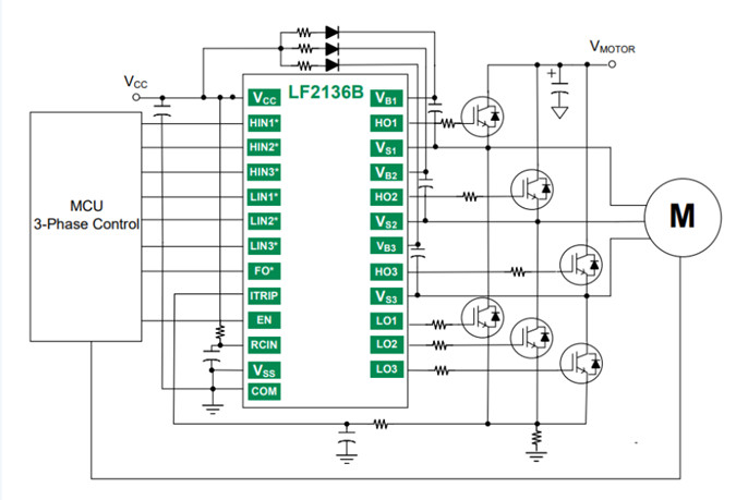
LF2136BTR是一款三相栅极驱动器IC,专为高压、高速应用而设计,可用于驱动半桥配置。该器件基于高压工艺打造,高压侧能够在自举操作中切换到600V的高压。同时,LF2136BTR具有很好的驱动特性、兼容特性和保护特性。该器件具有高脉冲电流缓冲器,旨在实现最小的驱动器交叉传导;能够和CMOS电平(低至3.3V)兼容,可轻松与控制设备连接,并在高噪声环境中启用低电平以更好地工作;提供多种保护功能,包括直通保护、欠压锁定、过流保护等。
图1:LF2136BTR典型应用框图
(图源:Littelfuse)
LF2136BTR是Littelfuse栅极驱动器系列中的一款,除了LF2136BTR这种三相栅极驱动器IC,还包括高压高速栅极驱动器,均具有高压属性,以及优质的驱动特性、兼容特性和保护特性,并且都能够在-40°C至+125°C的宽温度范围内工作,可用于打造半桥栅极驱动器、三相半桥栅极驱动器和高侧/低侧栅极驱动器。其中,半桥栅极驱动器和高侧/低侧栅极驱动器可经过进一步设计用于DC-DC转换器、交流-直流逆变器电机控制、电机驱动器、D类功率放大器等应用;三相半桥栅极驱动器则可以用于三相电机变频器驱动器、白色家电-空调、洗衣机、冰箱、工业电机逆变器-电动工具、机器人,以及通用三相变频器等。
在助力“碳中和”实现方面,LF2136BTR的高压特性以及最小的驱动器交叉传导都能够发挥重要价值。
双路H桥电机驱动器
在经典电机驱动电路中,其中有一种电路的造型长得像字母H,如下图所示,因此也被称为“H桥驱动”。综合来看,H桥电机驱动电路具有高效、方向控制和制动等突出优点。
图2:H桥电机驱动电路
(图源:硬件攻城狮博文)
今天要介绍的第二款器件便是一款双路H桥电机驱动器,来自制造商Texas Instruments,贸泽电子网站上的制造商编号为DRV8428PPWPR,大家可以通过搜索此编号找到这款器件。
DRV8428PPWPR
DRV8428P双路H桥电机驱动器适用于各种工业应用的双路H桥电机驱动器,可用于驱动一个双极性步进电机、两个双向有刷直流电机或四个单向有刷直流电机。根据PCB设计方案的不同,该器件能够驱动高达1A满量程或0.7A RMS输出电流。

图3:DRV8428P双路H桥电机驱动器简化示意图
(图源:Texas Instruments)
DRV8428P双路H桥电机驱动器是一款集成度非常高的器件,输出级包括N沟道功率MOSFET(配置为两个全H桥)、电流检测/调节以及保护电路。其中,集成式电流感应功能采用内部电流镜架构,无需检流电阻,满量程电流精度为±6%;保护特性包括VM欠压锁定、过流保护和热关断,在有刷直流应用中,还能够实现浪涌电流限制。高集成度以及领先的工艺,让其具有更小的封装尺寸,更小的占板面积,降低系统成本。
在应用方面,DRV8428P双路H桥电机驱动器领先的产品特性可以赋能有刷直流电机、打印机和扫描仪、点钞机和EPOS、办公和家居自动化、工厂自动化和机器人、小家电、扫地机器人、类人机器人等领域。
DRV8428P双路H桥电机驱动器也有很多优秀的性能帮助降低系统功耗和损耗,其中高集成特性能够减少电路板和其他器件消耗,同时该器件具有低功耗休眠模式,可通过关断大部分内部电路实现超低静态电流消耗。
即用型电机控制套件
接下来,我们进一步延伸到系统方案的介绍。开发人员都有明显的感受,在方案开发的过程中,如果有一款出色的开发套件可以使用的话,那么整个开发进程将大大提速,缩短产品的上市周期。而我们接下来要介绍的是一款即用型电机控制套件。
这款套件来自制造商Infineon Technologies,贸泽电子网站上的制造商编号为MOTORCONTROLKIT12VTOBO1。
MOTORCONTROLKIT12VTOBO1
为什么说MOTORCONTROLKIT_12V电机控制套件为即用型套件呢,因为套件里除了MOTIX?嵌入式功率IC,还有360°角度传感器以及集成式霍尔效应开关,面向低压电机控制应用,可以直接用于快速原型设计和评估。
MOTORCONTROLKIT_12V电机控制套件可以视为TLE9879评估套件,上面的TLE9879QXA40器件是MOTIX?嵌入式功率IC和单芯片三相电机驱动器、片上系统(SoC)解决方案的一部分。这款器件具有非常高的集成度,内部集成LIN收发器、桥接驱动器和电源等,基于Arm?Cortex?-M3内核打造,可支持实施高级电机控制算法,例如无传感器磁场定向控制(FOC)。
MOTORCONTROLKIT_12V电机控制套件上的角度传感器型号为TLE 5012B-E1000,可以实现360°角度测量,具有0.01°的分辨率,在整个使用寿命和温度范围内的最大角度误差为1.0°。集成式霍尔效应开关的具体型号为TLE 4968-1L,专门用于高精度应用。其具有出色的电源电压能力,采用非稳压电源供电,过压能力高达42V,无需外部电阻器,并且通过有源误差补偿进一步提高了器件精度。该套件可用于泵、风扇和三相BLDC电机应用等。
如上所述,MOTORCONTROLKIT_12V电机控制套件在各个环节都彰显了自己的高精度特性,能够大幅减少系统中不必要的电流损耗,进而提升电机能效。
让电机控制更安全的TVS二极管
为了实现电机的精准控制,降低电机不必要的能耗,电机控制和驱动电路中的元器件变得越来越精细,因而也就需要更全方位的保护。下面为大家带来一款常用的保护性元器件——TVS二极管。
这款TVS二极管依然是来自制造商Littelfuse,贸泽电子网站上的制造商编号为SZ1SMA30CAT3G。
SZ1SMA30CAT3G
SZ1SMA 400W TVS二极管是单向和双向器件,设计用于保护电压敏感电子产品免受高电压、高能量瞬变的影响。该器件具有出色的钳位能力、高浪涌能力、低齐纳阻抗和快速响应时间,峰值功率可达400W(1ms时),正向浪涌电流最高为40A。
图4:SZ1SMA 400W TVS二极管功能框图
(图源:Littelfuse)
SZ1SMA 400W TVS二极管采用Littelfuse独有、具有成本效益、高度可靠的封装,通过平面处理表面,帮助用户实现准确贴装,可用于顶部滑动或底部电路板安装的封装设计。
通过出色的产品性能,SZ1SMA 400W TVS二极管能够为电机驱动带来更可靠的安全防护,帮助打造控制更精确、能耗更低的电机方案。
电机驱动的未来趋势
实现“碳中和”目标是一个长期且艰巨的任务,如以上数据所述,电机作为最大的单体耗能设备,未来随着汽车电动化和工业自动化等趋势,电机的需求依然会高速增长,其能耗是一个需要持续优化的重点方向。各国政策对此非常关注,比如在中国,除了上述提到的由中国工信部印发的《工业能效提升计划》,还有国家市场监督管理总局和工信部联合印发的《电机能效提升计划》等等,其中都对提升电机能效做出了关键性指示。
比如《电机能效提升计划(2021-2023年)》要求,以电机系统生产制造、技术创新、推广应用和产业服务为重点方向,积极实施节能改造升级和能量系统优化,不断提升电机系统能效,支撑重点行业和领域节能提效,助力实现“碳达峰”、“碳中和”目标。
面向未来,电机将朝着数字化、轻量化、小型化、高效率、高功率密度等方向继续发展,而电机控制和驱动环节在其中扮演着重要角色。因此,除了电机驱动芯片和其他配套芯片的出货量将大幅增加之外,技术发展趋势也较为明确。为了让整个电机控制和驱动系统外部看起来更加简洁,减少耗材,相关元器件的集成度将再次提高。电机驱动也将更加智能、灵活,对电机各个驱动轮的控制将会是独立且精准的;反馈电路将更加完整、多元,使得动力输出更加合理;为了减少系统发热,会不断追求更高压的驱动技术;对安全性要求更高,要做到高度可靠。
当然,所有这些趋势的目标都是为了打造更加高效节能的电机系统,而贸泽电子网站上销售的电子元器件将为此提供强力支持,携手设计者们一起为打造“绿色地球”贡献力量。
来源:贸泽电子
