【干货分享】6种延时电路原理
众所周知,说到延时,很多人都会想到用软件件来实现,比如定时器之类的。今天就来说说用硬件来实现定时的方式,虽说没有那么准,但是有些场合还是用得到的。今天我们来介绍一下6种延时电路工作原理。
众所周知,说到延时,很多人都会想到用软件件来实现,比如定时器之类的。今天就来说说用硬件来实现定时的方式,虽说没有那么准,但是有些场合还是用得到的。今天我们来介绍一下6种延时电路工作原理。
1、 精确长延时电路图

该电路由CD4060 组成定时器的时基电路,由电路产生的定时时基脉冲,通过内部分频器分频后输出时基信号。在通过外设的分频电路分频,取得所需要的定时控制时间。
通电后,时基振荡器震荡经过分频后向外输出时基信号。作为分频器的IC2 开始计数分频。当计数到10 时,Q4 输出高电平,该高电平经D1 反相变为低电平使VT 截止,继电器断电释放,切断被控电路工作电源。
与此同时, D1 输出饿低电平经D2 反相为高电平后加至IC2 的CP 端,使输出端输出的高电平保持。
电路通电使IC1、IC2 复位后,IC2 的四个输出端,均为低电平。而Q4 输出的低电平经 D1 反相变为高电平,通过R4 使VT 导通,继电器通电吸和。这种工作状态为开机接通、定时断开状态。
2、 RC延时电路

RC延时电路如图所示,电路的延时时间可通过R或C的大小来调整,但由于延时电路简单,存在着延时时间短和精度不高的缺点。对于需要延时时间较长并且要求准确的场合,应选用时间继电器为好。
在自动控制中,有时为了便被控对象在规定的某段时间里工作或者使下一个操作指令在适当的时刻发出,往往采用继电器延时电路。图给出了几种继电器延时电路。
图(a)所示电路为缓放缓吸电路,在电路接通和断开时,利用RC的充放电作用实现吸合及释放的延时,这种电路主要用在需要短暂延时吸合的场合。有时根据控制的需要,只要求继电器缓慢释放,而不允许缓慢吸合,这时可采用图(b)所示的电路。
当刚接通电源时,由于触点KK一l为常开状态,因而RC延时电路不会对吸合的时间产生延时的影响,而当继电器K。吸合后,其触点Kk-1,闭合,使得继电器kk的释放可缓慢进行。简单的计算出RC延时电路所产生的时间延时,例如R=470K,C=0.15UF 时间常数直接用R*C就行了。
3、 555构成的简易长延时电路

当按下按钮SB 时,12V 的电源通过电阻器Rt 向电容器Ct 充电,使得6 脚的电位不断升高,当6 脚的电位升到5 脚的电位时,电路复位定时结束。
由于在5 脚串上了一个二极管VD1 使得5 脚电位上升,因此比一般接法(悬空或通过小电容接地)具有了更长时间的定时。
4、 由两个555时基电路构成的长延时电路

IC1 555 时基电路接成占空比可调的自激多谐振荡器。当按下按钮SB 后,12V 的直流电压加到电路中,由于电容器C6 的电压不能突变,使得IC2 电路的2 脚为低电平,IC2 电路处于置位状态,3 脚输出高电平,继电器K 得电,触点K-1、K-2 闭合,K-1 触点闭合后形成自锁状态,K-2 触点连接用电设备,达到控制用电设备通、断的作用。
同时IC1 555 时基电路开始形成振荡,因此3 脚交替输出高、低电平。当3 脚输出高电平时,通过二极管VD3、电阻器R3 对电容器C3 充电。
当3 脚输出低电平时,二极管VD3截止,C3 没有充电,因此只有在3 脚为高电平时才对C3 充电,所以电容器C3 的充电时间较长。
当电容器C3 的电位升到2/3VDD 时,IC2 555 时基电路复位,3 脚输出低电平,继电器K 失电,触点K-1、K-2 断开,恢复到初始状态,为下次定时做好准备。
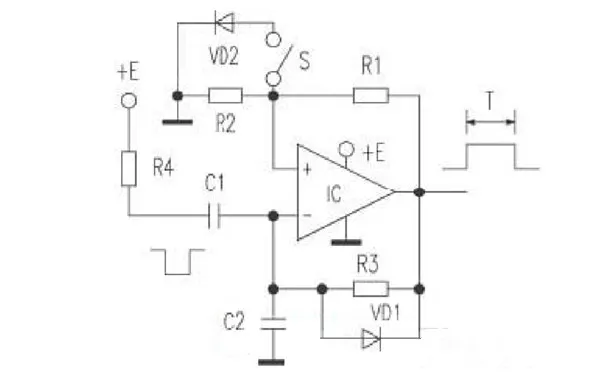
5、 单运放构成的单稳延时电路

常态时,IC输出保持低电平,这个状态是稳定的。当负脉冲经C1输入至反相端时,反相端电位低于同相端电位,输出端由低电平翻转为高电平,这个状态是不稳定的。
此高电平经R1、R2分压后加至IC的同相端,使同相端电位高于反相端,从而保持高电平输出。同时,该高电平经R3和C2充电,当C2上电压被充至使反相端电位高于同相端电位时,其输出端又翻转为低电平。
此时,同相端电位约为零,而C2上的电压经VD1迅速向输出端放电,使电路加速恢复到初始状态。
电路稳定后反相端电位仍高于同相端电位,使输出低电平得以保持。
该电路的延时时间T不仅取决于R3、C2,而且还取决于R1、R2的分压比。
所以,调节延时时间十分方便,既可调整C2、R3进行延时粗调,又可调整R2进行细调(分压比若取1/2~2/3,延时精度较高)。
但是,该电路在上电时的状态是随机的,要使该电路上电后有唯一的输出状态,有两种方法:
一是在电路中增加R4.这样,在上电时,由于C1上电压不能突变,电源电压经R4、C1加至反相端,即可置输出于低电平;
二是在同相端与地之间接一只二极管VD2和一只开关S(如虚线所示)。
上电时如输出为高电平,虽然这一状态是不稳定的,但如上所述,要经过时间T输出才为低电平,而实用上往往需要电路上电时即刻复位。
为此,可在上电时先将S接通,若输出为高电平,则C2充电到0.7V即可使电路复位,大大缩短了电路上电复位的时间。复位后将S断开,电路即可正常工作。
6、 晶体管延时电路

延时部分由BG1、BG2复合后与电容C组成密勒积分电路。电源接通前C的端电压为零,电源接通后BG3、BG4导通,继电器J吸合,同时电容C被充电,充电电流经R2、C、R构成回路,a点电位上升,引起b点电位下降,b点电位的下降又限制了a点电位上升。
a、b两点电位互相补偿的结果使a点电位的上升量非常小,充电电流接近似恒定。
当b点电位上升到10V左右时,BG3、BG4接近截止,继电器J释放,延时过程结束。按一下按钮AN,电容C迅速经D1放电,继电器J吸合,开始下一个延时过程。
延时电路经常会用到,RC电路是比较简单的电路。当然,改变电路各个元器件的参数,可以达到不同的延时。
