隔离电源和非隔离电源的主要区别
在产品设计时,倘若没有考虑应用环境对电源隔离的要求,产品到了应用时就会出现因设计方案的不当导致的系统不稳定,甚至出现高压损坏后级负载的情况,以及出现危害人身财产安全的情况。因此产品设计是否需要隔离至关重要。
“南航一名23岁空姐在iPhone5充电时打电话被电死”,新闻在网上引起广泛关注。充电器也能能危害生命?专家分析手机充电器内部变压器漏电,220VAC的交流电漏电到直流端,并通过数据线传导到了手机金属壳上,最终导致触电身亡,发生无可挽回的悲剧。
那么手机充电器输出端为什么会带有220V的交流电呢?隔离电源的选型要注意哪些事项?如何区分电源是隔离与非隔离?业内通用的看法是:
1、隔离电源:电源的输入回路和输出回路之间没有直接的电气连接,输入和输出之间是绝缘的高阻态,没有电流回路,如图1所示:

图1 采用变压器的隔离电源
2、非隔离电源:输入和输出之间有直接的电流回路,例如,输入和输出之间是共地的。以隔离的反激电路和非隔离的BUCK电路为例,如图2所示。

图2 非隔离电源

一、隔离电源与非隔离电源的优缺点
由上述概念可知,对于常用的电源拓扑而言,非隔离电源主要有:Buck、Boost、Buck-Boost等;而隔离电源主要有各种带隔离变压器的反激、正激、半桥、LLC等拓扑。
结合常用的隔离与非隔离电源,我们从直观上就可得出它们的一些优缺点,两者的优缺点几乎是相反的。
使用隔离或非隔离的电源,需了解实际项目对电源的需求是怎样的,但在此之前,可了解下隔离和非隔离电源的主要差别:
①隔离模块的可靠性高,但成本高,效率差点。
②非隔离模块的结构很简单,成本低,效率高,安全性能差。
因此,在如下几个场合,建议用隔离电源:
①涉及可能触电的场合,如从电网取电,转成低压直流的场合,需用隔离的AC-DC电源;
②串行通信总线通过RS-232、RS-485和控制器局域网(CAN)等物理网络传送数据,这些相互连接的系统每个都配备有自己的电源,而且各系统之间往往间隔较远,因此,我们通常需要隔离电源进行电气隔离来确保系统的物理安全,且通过隔离切断接地回路,来保护系统免受瞬态高电压冲击,同时减少信号失真;
③对外的I/O端口,为保证系统的可靠运行,也建议对I/O端口做电源隔离。
总结的表如表1所示,两者的优缺点几乎是相反的。
表1 隔离电源和非隔离电源的优缺点

二、隔离电源与非隔离电源的选择
通过了解隔离与非隔离电源的优缺点可知,它们各有优势,对于一些常用的嵌入式供电选择,我们已可做成准确的判断:
①系统前级的电源,为提高抗干扰性能,保证可靠性,一般用隔离电源。
② 电路板内的IC或部分电路供电,从性价比和体积出发,优先选用非隔离的方案。
③ 对安全有要求的场合,如需接市电的AC-DC,或医疗用的电源,为保证人身的安全,必须用隔离电源,有些场合还必须用加强隔离的电源。
④ 对于远程工业通信的供电,为有效降低地电势差和导线耦合干扰的影响,一般用隔离电源为每个通信节点单独供电。
⑤ 对于采用电池供电,对续航力要求严苛的场合,采用非隔离供电。
通过了解隔离与非隔离电源的优缺点可知,它们各有优势,对于一些常用的嵌入式供电设计,我们可总结出其选择的场合。
1、隔离电源
● 系统前级的电源,为提高抗干扰性能,保证可靠性,一般用隔离电源;
● 对安全有要求的场合,如需接市电的AC-DC,或医疗用的电源和白色家电,为保证人身的安全, 必须用隔离电源,如MPS的MP020,为原边反馈隔离型AC-DC,适合于1~10W应用 ;
● 对于远程工业通信的供电,为有效降低地电势差和导线耦合干扰的影响,一般用隔离电源为每个通信节点单独供电。
2、非隔离电源
电路板内的IC或部分电路供电,从性价比和体积出发,优先选用非隔离的方案;如MPS的MP150/157/MP174系列buck型非隔离AC-DC,适合于1~5W应用;
对于工作电压低于36V,采用电池供电,对续航力要求严苛的场合,优先采用非隔离供电,如MPS的MP2451/MPQ2451。
隔离电源与非隔离电源优缺点

通过了解隔离与非隔离电源的优缺点可知,它们各有优势,对于一些常用的嵌入式供电选择,我们可遵循以下判断条件:
对安全有要求的场合,如需接市电的AC-DC,或医疗用的电源,为保证人身的安全,必须用隔离电源,有些场合还必须用加强隔离的电源。
一般场合使用对模块电源隔离电压要求不是很高,但是更高的隔离电压可以保证模块电源具有更小的漏电流,更高的安全性和可靠性,并且EMC特性也更好一些,因此目前业界普遍的隔离电压水平为1500VDC以上。
三、隔离电源模块选型的注意事项
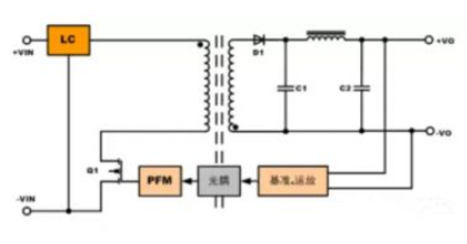
电源的隔离耐压在GB-4943国标中又叫抗电强度,这个GB-4943标准就是我们常说的信息类设备的安全标准,就是为了防止人员受到物理和电气伤害的国家标准,其中包括避免人受到电击伤害、物理伤害、爆炸等伤害。如下图为隔离电源结构图。

隔离电源结构图
作为模块电源的重要指标,标准中也规定了隔离耐压相关测试方法,简单的测试时一般采用等电位连接测试,连接示意图如下:

隔离耐压测试示意图
测试方法:
将耐压计的电压设为规定的耐压值,电流设为规定的漏电流值,时间设为规定的测试时间值;
操作耐压计开始测试,开始加压,在规定的测试时间内,模块应无击穿,无飞弧现象。
注意在测试时焊接电源模块要选取合适的温度,避免反复焊接,损坏电源模块。
除此之外还要注意:
1、要注意是AC-DC还是DC-DC。
2、隔离电源模块的隔离耐压。例如隔离1000V DC 是否满足绝缘要求。
3、隔离电源模块是否有进行全面的可靠性测试。电源模块要经过性能测试、容差测试、瞬态条件测试、可靠性测试、EMC电磁兼容测试、高低温测试、极限测试、寿命测试、安规测试等。
4、隔离电源模块的生产工厂产线是否规范。电源模块生产线需要通过ISO9001, ISO14001,OHSAS18001等多项国际认证,如下图3所示。

图3 ISO认证
5、隔离电源模块是否有应用在工业、汽车等恶劣环境。电源模块不仅仅大量应用与恶劣的工业环境,同时在新能源汽车的BMS管理系统中也游刃有余。
四、关于隔离电源与非隔离电源的感悟
首先阐述一个误区:很多人认为非隔离电源不如隔离电源好,因为隔离电源贵,所以肯定贵的就好。
为什么现在大家的印象当中用隔离电源比用非隔离的要好,其实不然,这种想法都是停留在几年前的想法当中。因为前几年非隔离的稳定性确实没有隔离稳定,但随着研发技术的更新,现如今非隔离已经非常成熟,日渐稳定。说到安全性,其实现在非隔离电源也是很安全的,只要在结构稍微做下改动,对人体还是很安全的,同样的道理,非隔离电源也是可以过很多安规标准,例如:ULTUVSAACE等。
实际上非隔离电源损坏的根源就是电源AC线两端的浪涌电压所致,也可以这么说,雷击浪涌吧,这种电压是加在电压AC线两端的瞬间高压,有时高达三千伏,但时间很短,能量却极强,在打雷时会发生,或是在同一条AC线上,当一个大的负载断开瞬间,因为电流惯性的原因也会发生,这个电压进入电源,对于非隔离BUCK电路,会瞬间传达到输出,击坏恒流检测环,或是进一步击坏芯片,造成300v直通,而烧掉整条灯管。对于隔离反激电源,会击坏MOS,现象就是保管,芯片,MOS管全烧坏。现在LED驱动电源,在使用过程中坏的,80%以上都是这两种类似现象。而且,小型开关电源,就算是电源适配器,也经常损坏的是这个现象,均是浪涌电压所致,而在LED电源里,表现的更加普遍,这是因为LED的负载特性是特别的怕浪涌电压的。
如果按照一般的理论来讲,电子电路里,元器件越少,可靠性越高,相应越多的元件的电路板可靠性则越低。实际上非隔离电路的元件是比隔离电路要少的,为什么隔离电路可靠性高。其实说白了,不是什么可靠性,而是非隔离电路对于浪涌太敏感,抑制能力差,隔离电路,因为能量是先进入变压器,然后从变压器再输送到LED负载的。BUCK电路是输入电源一部分直接加在了LED负载上,故前者对浪涌抑制和衰减能力强,所以浪涌来时损坏的机率小而已。实际上,不隔离电源的问题主要是在于浪涌问题,目前这个问题,因为只有LED灯具在大批量应用时,从概率上才能看出其解决的程度,所以很多人没有提出好的防治办法,更多的人则是不知道浪涌电压为何物,很多人。LED灯具坏了,也找不到原因,最后只能一句,什么此电源不稳定就了结了,具体哪里不稳定,他不知道。
非隔离电源一是效率,二是成本上比较有优势。
非隔离电源适合的场合:首先,是室内的灯具,这种室内用电环境较好,浪涌影响小。第二,使用的场合是高压小电流,低压大电流用非隔离没有意义,因为低压大电流非隔离的效率并不比隔离的高,成本也低不到多少去。三,电压相对较稳定的环境中使用非隔离电源。当然,如果有办法解决掉抑制浪涌的问题,那么非隔离电源的应用范围将大大拓宽!
隔离电源因为浪涌的问题,损坏率也不可小觑,一般那种返修回来,击坏保险,芯片,MOS的第一个应该想到是浪涌问题。为了减少损坏率,在设计时就行要考虑到浪涌的因素进去,或是在使用时要告戒用户,尽量避免浪涌发生。(如室内灯具,打雷时暂时先关掉)
综合所述,使用隔离与非隔离很多时候都是因为浪涌这个问题,而浪涌问题和用电环境是息息相关的,所以很多时候使用隔离电源和非隔离电源不能一刀切,非隔离电源在节能,成本上都是很有优势的,所以要科学的选用非隔离还是隔离作为LED驱动电源。
五、总结
本文介绍了隔离电源和非隔离电源的区别,以及各自的优缺点、适应场合,以及隔离电源的选型注意事项,希望工程师在产品设计时能以此为参考,正确应用电源在产品的研发中,以及在产品出现故障后,快速定位问题所在。
