方案分享:触摸外部控制连接电路设计
基于AT91X40 系列的手持式触摸屏具有体积小巧,功能强大,操作简便等特点。可以消除当前手持式触摸屏稳定性不高,性能不可靠的状况,那么如何设计触摸外部控制连接电路呢?具体方案如何?
基于当前手持式触摸屏稳定性不高,性能不可靠的状况,采用AT91X40 系列微控制器作为控制芯片,由于该芯片功能强大,集成度高,处理数据能力强,稳定性高,所以基于AT91X40 系列的手持式触摸屏具有体积小巧,功能强大,操作简便等特点。手持式触摸屏的显示和输入设备选用了ADS7843 和SED1335 两种主流触摸和LCD 显示芯片。通过现场的实验验证,基于AT91X40 系列的手持式触摸屏稳定性高,工作可靠,具有实际应用价值。
触摸控制芯片ADS7843的功能特性
ADS7843是4 线电阻触摸屏转换接口芯片。它是一款具有同步串行接口的12 位取样模数转换器。在125 kHz 吞吐速率和2.7 V 电压下的功耗为750 μW,而在关闭模式下的功耗仅为0.5 μW。因此,ADS7843($1.8886) 以其低功耗和高速率等特性,被广泛应用在采用电池供电的小型手持设备上。ADS7843($1.8886) 采用SSOP-16 引脚封装形式,温度范围是-40~+85 ℃。ADS7843($1.8886)具有两个辅助输入(IN3、IN4),可设为8 位或12 位模式。其外部连接电路如图3 所示, 该电路的工作电压Vcc 在2.7~5.25 V 之间,基准电压介于1 V~+Vcc。该电路基准电压确定了转换器输入范围,输出数据中每个数字位代表的模拟电压等于基准电压除以4 096。平均基准输入电流由ADS7843转换率来确定。
图3 ADS7843($1.8886) 外部连接电路
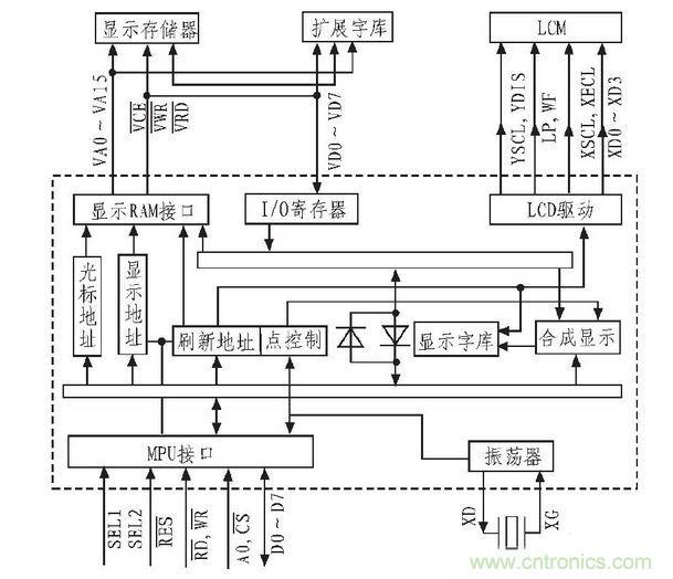
液晶显示芯片SED1335 的结构和特点
液晶显示器简称LCD, 由于液晶显示器具有低损耗、低价格、寿命长、接口方便等优点,被广泛应用于手机、照相机、计算机、智能仪器仪表等产品上。主要有两种液晶显示控制器。一种是将控制器集成在CPU 中,制成带液晶显示控制器的专用CPU。这种控制器的CPU 功能强大,外电路简单,一般只适用于小规模LCD 模块。另一种是专用控制器芯片。这种芯片具有较强的指令功能,与CPU 接口简单,便于控制,驱动能力可达640 ×256 点阵。本系统液晶显示控制芯片SED1335 具有功能较强的I/O 缓冲器和丰富的指令系统,可以并行传送4 位数据,最大驱动能力达640×256 点阵,而且能够实现图形和文本格式混合显示。它的结构包括接口部分、管理控制部分和LCD 显示驱动部分。其电路原理如图4所示。
图4 电路原理图
基于AT91X40 系列的手持式触摸屏,具有体积小巧,功能强大,操作简便等特点。手持式触摸屏的显示和输入设备,采用了现在流行的触摸屏。触摸屏技术发展速度快,前景广阔,目前已经得到广泛应用,具有极大的研究价值。这个系统中,选用了ADS7843($1.8886) 和SED1335 两种主流触摸和LCD 显示芯片。整个硬件的选择突出了主流性、先进性,保证研究成果拥有一定实际价值。
