画PCB时你不知的一些常用接插件知识
工程师画PCB的时候,难免会遇到一些连接器件,很多原因使得工程师要手拿游标卡尺去量,这样很容易造成连接错误,误差使得画出来的PCB接插件按不上去。这里集合了很多接插件的知识点,如耳机插座等,是一篇实用性很强的技术文,希望能帮助到PCB工程师。
【集合二】画PCB时一些常用的接插件知识
这篇文章集合了包括:耳机插座,DC电源输入插座,USB B型母头,DB9 串口母口插座,SD卡插座的尺寸和管脚资料。是一篇实用性很强的技术文。由于篇幅问题,小编分成两个部分,这部分主要讲解:耳机插座,DC电源输入插座,USB B型母头的相关资料。工程师画PCB的时候,难免会遇到一些连接器件,在中国,由于一些原因,很多时候,这些连接器件很难像国外那样,能向厂家索要机械尺寸文档,所以很多时候,都需要手拿游标卡尺去量。这样就造成,一来我们不知道连接器的管脚接线,很容易连接错误;二来自己测量的,总有误差,最后画出来的PCB接插件按不上去。接插件的标准化与否和尺寸标准图是否完全,我看这就是中国与国外的差距之一。不单在芯片方面,而是在这些细节方面我们做得也不好。
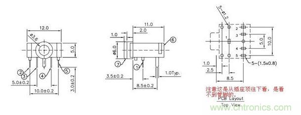
耳机插座尺寸

这是我们在电子市场上买到的3.5mm立体声耳机插座。它的机械尺寸如下:

从耳机插座底面的管脚旁边会有①②③④⑤的编号,对应尺寸图。一般来说耳机采用3段式的插头,插头直径一般有3.5mm和2.5mm,不同直径的插头对应不同直径孔的耳机插座,所以“公”和“母”要对应.
根据三段式的耳机插头的接线,就可以确定耳机插座的连接:

1脚接地,2脚接右声道(Right),5脚接左声道(Left)。在耳机接头没插入插座的时候,2脚和3脚,4脚和5脚是接在一起的,而一旦接头插入插座的时候,2脚和3脚,4脚和5脚会分开。所以从系统可靠性的角度来说,3脚和4脚应该接地,这样的话,耳机没插的时候,左右声道输入接地,系统输入为0。很多时候,我们都会把不用的3脚4脚悬空,那么2脚和5脚也是悬空的,这样带来的风险就是, 万一会从外界串入一个大电流,会从2脚和5脚传到板子上,从而会烧毁芯片。
耳机接头除了有三段式之外,还有四段式,四段式比三段式加多了一个话筒/接听键,国标(大部分手机)从头到尾(尾巴是有线那边)的定义是:左声道、右声道、MIC、地。要注意iphone的四段式耳机接头的顺序是不一样的,从头(尖)到尾是左声道、右声道、地、MIC。


单声道耳机插座
单声道耳机插座也可以用作输入。要注意的是A为地,B应该接输入端,而F端应该接地。在没有耳机接头接入的时候,B脚和F脚是连在一起的,这样保证,输入接地,输入信号为0。当有耳机接头接入的时候,B脚和F脚分离,F脚与A接连在一起。DC电源输入插座尺寸

这是我们通常使用的DC电源输入插座。尺寸如下:

这个DC电源插座是对应内径2.1mm,外径5.5的插头。

外径5.5mm,内径2.1mm,长约10mm
电源极性:内正外负
要注意的是插头一般是内正外负的,但也不排除少数自己做的插头是反的,所以保险起见,最好使用前用万用表量一下,免得烧毁芯片。

DC电源插座接线
DC电源插座的2脚和3脚在插头没有插进的时候是连在一起的,当插头插进的时候,3脚与2脚分开。所以3脚和1脚应该连地。
USB接口插座引脚
USB是英文Universal Serial Bus的缩写,中文含义是“通用串行总线”。
USB的版本:
第一代:USB 1.0/1.1的最大传输速率为12Mbps。1996年推出。第二代:USB 2.0的最大传输速率高达480Mbps。USB 1.0/1.1与USB 2.0的接口是相互兼容的。第三代:USB 3.0 最大传输速率5Gbps, 向下兼容USB 1.0/1.1/2.0画PCB板的时候要知道USB的引脚排列。以下均为插座或插头的前视图,即将插座或插头面向自己。USB-A型插座是用在主机上的,USB-B型插座是用在外设上的。USB A型插座和插头:
USB B型插座和插头:

USB-B型插座是用在外设上的

USB A-B型引脚功能:

USB mini-B 插座和插头:

USB mini-B型引脚功能:

关于插座插头的机械尺寸请参考USB标准上的典型机械尺寸,更可靠的是以连接器生产厂的尺寸为准。
