正激式变压器开关电源的工作原理及优缺点介绍
——陶显芳老师谈开关电源原理与设计
品慧电子讯前面陶老师给大家讲解了单激式变压器开关电源的工作原理,加上本站陆续推出的反激式变压器开关电源、全桥式变压器开关电源和推挽式变压器开关电源的工作原理的相关文献。这里再次为大伙奉献陶老师的正激式变压器开关电源的工作原理及和其他的相比有哪些优缺点,欢迎大家来本站查询学习!
1-6.正激式变压器开关电源
正激式变压器开关电源输出电压的瞬态控制特性和输出电压负载特性,相对来说比较好,因此,工作比较稳定,输出电压不容易产生抖动,在一些对输出电压参数要求比较高的场合,经常使用。
1-6-1.正激式变压器开关电源工作原理
所谓正激式变压器开关电源,是指当变压器的初级线圈正在被直流脉冲电压激励时,变压器的次级线圈正好有功率输出。
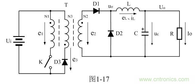
图1-17是正激式变压器开关电源的简单工作原理图,图中,Ui是开关电源的输入电压,T是开关变压器,N1、N2、N3分别为开关变压器的3个线圈绕组,e1、e2、e3分别为3个线圈绕组产生的感应电动势,K是控制开关,D1是整流二极管,D2是续流二极管,D3是削反峰整流二极管,L是储能滤波电感,C是储能滤波电容,R是负载电阻;uo为整流输出电压,或滤波输入电压、eL为储能滤波电感产生的感应电动势、iL为流过储能滤波电感L的电流、Uo为滤波输出电压、Io为流过负载的电流。
在图1-17中,需要特别注意的是开关变压器初、次级线圈的同名端。如果把开关变压器初线圈或次级线圈的同名端弄反,图1-17就不再是正激式变压器开关电源了。

我们从(1-77)和(1-78)两式可知,改变控制开关K的占空比D,只能改变输出脉冲电压(图1-16-b中正半波)的平均值Ua,而输出脉冲电压的幅值Up不变。因此,正激式变压器开关电源用于稳压电源,只能采用改变正激变压器次级线圈输出脉冲电压的平均值的方式,然后再经滤波输出直流电压。
图1-17中,储能滤波电感L和储能滤波电容C,以及续流二极管D2,是正激脉冲电压平均值输出的滤波电路,其工作原理与图1-2的串联式开关电源电压滤波输出电路完全相同。关于脉冲电压平均值输出滤波电路的详细工作原理,请参看“1-2.串联式开关电源”部分中的“串联式开关电源电压滤波输出电路”内容,这里不再赘述。
正激式变压器开关电源有一个最大的缺点,就是在控制开关K由接通突然转到关断的瞬间,开关变压器的初、次线圈绕组均会产生很高的反电动势,这个反电动势是由流过变压器初线圈绕组N1的励磁电流存储的磁能量产生的。因此,在图1-17中,为了防止在控制开关K关断瞬间产生反电动势击穿开关器件,一般都要在开关变压器中增加一个反电动势(反激电压)能量吸收反馈线圈N3绕组,并通过一个削反峰整流二极管D3,把反电动势的能量反馈给回输入电源;与此同时,这个反馈线圈N3绕组还起到对开关变压器铁芯的退磁作用。
反馈线圈N3绕组和削反峰整流二极管D3对于正激式变压器开关电源是十分必要的,一方面,反馈线圈N3绕组产生的感应电动势(反激电压)通过整流二极管D3会在N3绕组中产生电流返馈给回输入电源,对电源进行充电,以提高开关电源的工作效率;与此同时,整流二极管D3还起到对变压器初级线圈N1产生的反电动势进行限幅的作用,防止开关变压器初级绕组产生的高压反电动势把开关器件击穿;另一方面,由于流过反馈线圈N3绕组中的电流i3的方向与原流过线圈N1的励磁电流的方向相反,其作用可使变压器的铁芯退磁,使变压器铁芯中的剩磁Br值降低,防止变压器产生磁饱和。
图1-18是图1-17中正激式变压器开关电源中几个关键点的电压、电流波形图。
图1-18-a)是变压器初、次级线圈N1、N2输出电压的波形。实线部分是正激输出电压脉冲的波形,虚线部分是反击输出电压脉冲的波形。
图1-18-b)是变压器次级线圈N3输出的反激电压波形,虚线部分是反击电压脉冲波形。
12345下一页>
- 第一页:正激式变压器开关电源的工作原理(1)
- 第二页:正激式变压器开关电源的工作原理(2)
- 第三页:正激式变压器开关电源的工作原理(3)
- 第四页:正激式变压器开关电源的工作原理(4)
- 第五页:正激式变压器开关电源的优缺点
图1-18-c)是流过变压器初级线圈N1和次级线圈N3的电流波形,其中,实线部分是流过变压器初级线圈N1的电流波形,虚线部分是流过变压器次级线圈N3的电流波形。

图1-17中,在控制开关K接通的Ton期间,输入电源Ui对变压器初级线圈N1加电,初级线圈N1有电流i1流过,在N1两端产生自感电动势e1的同时,在变压器次级线圈N2的两端也同时产生感应电动势e2,并向负载提供输出功率。开关变压器次级线圈输出电压大小由(1-64)、(1-77)、(1-78)等式给出,电压输出波形如图1-18-a)。

图2-18-c)是流过变压器初级线圈N1的电流i1的波形。与流过电感线圈中的电流完全不同,流过正激式开关变压器初级线圈N1的电流i1是会产生突变的,当控制开关K由关断突然转到接通的瞬间,流过正激式开关变压器初级线圈N1的电流i1立刻就会达到某个值,如图1-18-c)中的i10。如果我们把在控制开关K接通瞬间之前流过正激式开关变压器次级线圈N2的电流记为i2,则它们之间的关系是:i10 = (N2/N1)i2 ,其中N2/N1为变压器的次级线圈N2与初级线圈N1之比。这个i10就是流过变压器次级线圈N2的电流i2被折算到变压器初级线圈N1中的电流。
在流过正激式开关变压器初级线圈N1的电流i1中,除了i10之外还有一个励磁电流?i1。所谓励磁电流,就是令变压器铁芯产生磁通量 的电流。在变压器铁芯中,磁通量 的变化,只与流过变压器初级线圈中的励磁电流?i1有关,而与流过变压器次级线圈中的电流无关。即:在控制开关K接通期间,流过变压器次级线圈N2中的电流i2产生的磁通,完全被流过变压器初级线圈N1中的另一部分电流i10产生的磁通抵消。从图1-18-c)中可以看出,?i1就是i1中随着时间线性增长的部分(假设i2不变)。变压器初级线圈N1中的励磁电流?i1由下式给出:

当控制开关K由接通突然转为关断瞬间,由于流过变压器初级线圈N1的电流i1突然由最大值变为0,这必然会引起变压器铁芯中的磁通量 产生突变,使变压器的初、次级线圈产生非常高的反电动势;如果不对这个反高压电动势进行抑制,势必会使控制开关(开关器件)或开关变压器击穿,这是正激式开关电源必须考虑的地方。在图1-17电路中,开关变压器的线圈N3和整流二极管D3的作用,就是专门为抑制开关变压器,因流过N1线圈绕组的电流i1突然由最大值变为0时,各个线圈绕组产生的高压反电动势而设置的。
当流过变压器初级线圈N1的电流i1突然由最大值降为0时,在N3线圈两端就会产生反电动势e3,并使整流二极管D3导通,反电动势e3的幅度就会被钳制在Ui的幅度上,同时,在N3线圈绕组中产生的电流i3又会在变压器铁芯中产生新的磁通,此磁通的方向与电流i1在变压器铁芯中产生的磁通方向正好相反,两者可以互相抵消,使开关变压器各个线圈绕组产生的反电动势电压降低。因此,图1-17电路中的整流二极管D3也叫限幅二极管。
所谓限幅,就是把各线圈产生的反电动势电压限制在一定的范围之内,当N3线圈绕组产生的反电动势电压高于电源输入电压Ui时,整流二极管D3会突然导通。D3导通后,一方面,可抑制高压反电动势在初、次级线圈回路中产生,另一方面,可把变压器在控制开关K关断期间产生的反激能量反馈给回输入电源,并通过电流i3对变压器铁芯进行退磁。下面我们来详细分析电流i3对变压器铁芯进行退磁的过程。
<上一页12345下一页>
- 第一页:正激式变压器开关电源的工作原理(1)
- 第二页:正激式变压器开关电源的工作原理(2)
- 第三页:正激式变压器开关电源的工作原理(3)
- 第四页:正激式变压器开关电源的工作原理(4)
- 第五页:正激式变压器开关电源的优缺点
假设正激式开关变压器的初级线圈N1的匝数与次级线圈N3的匝数完全相等,即:初、次级线圈匝数比为:1 : 1 ;当D = 0.5时,流过开关变压器初级线圈N1励磁电流?i1的平均值与流过次级线圈N3中电流i3的平均值相等,但它们的变化过程在时间上并不同步;励磁电流?i1在Ton期间是按线性规律增加,而i3在Toff期间是按线性规律下降。参考下面(1-83)式和(1-84)式,波形如图1-18-c)所示,线性增长部分为?i1(实线表示),线性下降部分为i3(虚线表示)。
当控制开关K关闭时,根据(1-81)式可求得:

(1-83)式中右边的第一项就是流过变压器初级线圈N1绕组中的最大励磁电流被折算到次级线圈N3绕组中的电流(最大值),第二项是i3中随着时间变化的分量。其中n为变压器次级线圈N3与初级线圈N1的变压比,或匝数比。
当N1等于N3时,即:L1等于L3时,上式可以变为:

(1-84)式表明,当变压器初级线圈N1绕组的匝数与次级线圈N3绕组的匝数相等时:
如果占空比D小于0.5,当t≥Ton时,i3将为负值,但由于D3的作用,这是不可能的,这只能说明电流i3是不连续电流,表示退磁过程过早结束;
如果占空比D等于0.5,当t=Ton时,i3等于0,表示电流i3为临界连续,说明退磁过程结束时间刚刚好,图1-18-b)和图1-18-c)就表示这种情况;
如果占空比D大于0.5,当t≤Ton时,i3≥0,表示电流i3为连续电流,说明开关K将要接通时,退磁过程没有结束,还在进行中。
根据(1-79)式,当N3的匝数大于N1的匝数时,变压器次级线圈N3产生的反电动势将会升高,假设D=0.5,此时N3产生的反激电压u3的半波平均值Upa-3将高于输入电压Ui,二极管D3不但会对u3高于输入电压Ui的部分进行限幅,并且U3pa-高于输入电压Ui的部分也要被限幅,以及N1线圈产生的反激电压u1,其高于其半波平均值U1pa-电压的部分也要被限幅,因为,U1pa-与U3pa-也要按照匝数比的关系达成平衡。
根据(1-83)式,当N3的匝数大于N1的匝数时,i3的最大值将要减小(N3/N1)倍;与此同时,i3下降的速率(di/dt)将变小了, i3过0的时间将被延长。
这说明,N3匝数的增加,最大安匝数并没有增加(退磁作用与安匝数成正比),只是N3对变压器铁芯退磁的作用时间有所延长。
因此,为了使开关变压器的铁芯的退磁效果更充分(退磁效果越好,变压器的伏秒容量就越大),当占空比增大时(相当对变压器的磁化时间增长),同时也要增大N3与N1的匝数比,以使i3的退磁时间延长,这是合理的。
<上一页12345下一页>
- 第一页:正激式变压器开关电源的工作原理(1)
- 第二页:正激式变压器开关电源的工作原理(2)
- 第三页:正激式变压器开关电源的工作原理(3)
- 第四页:正激式变压器开关电源的工作原理(4)
- 第五页:正激式变压器开关电源的优缺点
从理论上来说,无论N3的匝数取得多大,其产生的作用都不可能把变压器铁芯中,原来由N1线圈中励磁电流产生的磁感应强度退回到其开始磁化时的初始值,因为,在N3线圈回路中产生反电动势的能量,本身就是来自N1线圈中励磁电流在变压器铁芯中存储的能量,而N3线圈回路对变压器铁心退磁时所提供的能量,应永远小于N1线圈中励磁电流在变压器铁芯中存储的能量。我们能做到的,只能尽量让N3线圈的退磁作用更有效一些。
N3绕组匝数的选取与占空比D的选取有关。在实际应用中,N3绕组匝数的选取,应当满足,当占空比D为最大值时,N3输出的反激脉冲电压的半波平均值要大于或者等于输入电源电压Ui。例如,当最大占空比D约等于0.5时,N3绕组的匝数与变压器初级线圈N1绕组的匝数之比,应略大于1或等于1,这样才能保证,当占空比D小于0.5时,N3绕组反击输出电压的半波平均值大于输入电压Ui ;此时,N3绕组不但可以使变压器有效退磁,并且通过限幅二极管D3的限幅作用,可以对高压反电动势进行有效抑制,防止反电动势高压把开关器件和开关变压器击穿。
根据图1-17,加到开关器件(控制开关)两端的峰值电压UKP正好等于输入电压Ui与反电动势峰值Up-之和,即:

式中,UKP为加到开关器件两端的峰值电压,Ui为输入电压,Up-为变压器初级线圈N1产生的反电动势e1的峰值。如果不采取措施,Up-的值一般都是非常高的,如果采用N3线圈及D3组成的反电动势限幅电路来对Up-进行限幅,经限幅后,Up-最多也只能降低到e1的半波平均值U1pa-。
当控制开关的占空比为0.5时,变压器初级线圈N1产生反电动势e1的半波平均值Upa-正好等于Ui。因此,在选用开关器件的时候,要求其耐压必须大于输入电压的两倍。即:

这个电压对于电源开关管来说是很高的,例如,对于输入电压为交流220伏电源,经整流滤波后其直流电压的最大值为311伏,根据(1-90)式可求得UKP = 622伏;如果输入电压为交流253伏(±15%),那么,可以求得UKP = 715伏。这个电压还不包括变压器初级线圈N1漏感产生的反电动势e01,因为,如图1-17中的变压器反馈线圈N3绕组和整流二极管D3组成的尖峰吸收电路,是不能对N1线圈的漏感产生的反电动势e01进行吸收的,为了吸收变压器初级线圈N1绕组漏感产生的反电动势e01,在变压器初级线圈回路中还要专门设置一个由整流二极管和电阻、电容组成的反电动势吸收电路(简称RCD电路),这一方面内容后面还要更详细介绍。
一般电源开关管的耐压都在650伏左右,因此,正激式变压器开关电源在输入电压为交流220伏的设备中很少使用,或者必须采用两个电源开关管串联来使用。但由于正激式变压器开关电源输出电压的瞬态控制特性相对来说,要比反激式变压器开关电源好很多,因此,目前在一些对瞬态控制特性要求比较高的场合,正激式变压器开关电源还会有一定的应用市场。
<上一页12345下一页>
- 第一页:正激式变压器开关电源的工作原理(1)
- 第二页:正激式变压器开关电源的工作原理(2)
- 第三页:正激式变压器开关电源的工作原理(3)
- 第四页:正激式变压器开关电源的工作原理(4)
- 第五页:正激式变压器开关电源的优缺点
1-6-2.正激式变压器开关电源的优缺点
为了表征各种电压或电流波形的好坏,一般都是拿电压或电流的幅值、平均值、有效值、一次谐波等参量互相进行比较。在开关电源之中,电压或电流的幅值和平均值最直观,因此,我们用电压或电流的幅值与其平均值之比,称为脉动系数S;也有人用电压或电流的有效值与其平均值之比,称为波形系数K。
因此,电压和电流的脉动系数Sv、Si以及波形系数Kv、Ki分别表示为:

上面4式中,Sv、Si、Kv、Ki分别表示:电压和电流的脉动系数S,和电压和电流的波形系数K,在一般可以分清楚的情况下一般都只写字母大写S或K。脉动系数S和波形系数K都是表征电压或者电流好坏的指标,S和K的值,显然是越小越好。S和K的值越小,表示输出电压和电流越稳定,电压和电流的纹波也越小。当S和K均等于1时,表示电压和电流均为直流。
正激式变压器开关电源正好是在变压器的初级线圈被直流电压激励时,变压器的次级线圈向负载提供功率输出,并且输出电压的幅度是基本稳定的,此时尽管输出功率不停地变化,但输出电压的幅度还是基本不变,这说明正激式变压器开关电源输出电压的瞬态控制特性相对来说比较好;只有在控制开关处于关断期间,功率输出才全部由储能电感和储能电容两者同时提供,此时输出电压虽然受负载电流的影响,但如果储能电容的容量取得比较大,负载电流对输出电压的影响也很小。
另外,由于正激式变压器开关电源一般都是选取变压器输出电压的正向平均值,储能电感在控制开关接通和关断期间都向负载提供电流输出,因此,正激式变压器开关电源的负载能力相对来说比较强,输出电压的纹波比较小。如果要求正激式变压器开关电源输出电压有较大的调整率,在正常负载的情况下,控制开关的占空比最好选取在0.5左右,此时流过储能滤波电感的电流大体上为连续电流。当流过储能滤波电感的电流为连续电流时,其负载能力相对来说比较强。
当控制开关的占空比为0.5时,正激式变压器开关电源输出电压uo的幅值正好等于电压平均值Ua的两倍,流过滤波储能电感电流的最大值Im也正好是平均电流Io(输出电流)的两倍,因此,正激式变压器开关电源的电压和电流的脉动系数S都约等于2,而与反激式变压器开关电源的电压和电流的脉动系数S相比,差不多小一倍,说明正激式变压器开关电源的电压和电流输出特性要比反激式变压器开关电源好很多。
正激式变压器开关电源的缺点也是非常明显的。其中一个,是电路比反激式变压器开关电源多用一个大储能滤波电感,以及一个续流二极管;其次,是正激式变压器开关电源的变压器比反激式变压器开关电源多一个变压器反馈线圈绕组,因此,正激式变压器开关电源的变压器的体积要比反激式变压器开关电源的变压器体积大;还有,正激式开关电源比反激式开关电源还多一个反馈电压整流二极管。这些器件,都是要损耗功率的,因此,正激式开关电源的工作效率相对比反激式开关电源的工作效率低。
另外,正激式变压器开关电源在控制开关K关断时,变压器初级线圈产生的反电动势电压要比反激式变压器开关电源产生的反电动势电压高,因为正激式变压器开关电源控制开关的占空比可调范围要比反激式变压器开关电源占空比的可调范围取得宽,一般都取在0.5左右,其目的是为了提高输出电压的控制能力,而反激式变压器开关电源控制开关的占空比相对取得比较小;因此,正激式变压器开关电源对电源开关管的耐压要求比反激式变压器开关电源对电源开关管的耐压要求高很多。
此外,正激式变压器开关电源输出电压受占空比的调整幅度(或调整率),相对于反激式变压器开关电源输出电压受占空比的调整幅度(或调整率)来说,要低很多。这个可从(1-78)和(1-79)式的对比就很明显可以看出来,前者的调整幅度是与D成正比,后者是与D/(1-D)成正比。因此,正激式变压器开关电源要求调控占空比的误差信号幅度要比反激式变压器开关电源高很多,即,要求误差信号放大器的增益和动态范围比较大。
正激式开关变压器的伏秒容量一般都取得比较大(伏秒容量VT等于输入脉冲电压幅度与脉冲宽度的乘积),目的是为了减小开关变压器初级线圈的励磁电流,以提高工作效率。
未完待续,下次为大家介绍:正激式变压器开关电源电路参数的计算......
