由IR2130组成的无刷直流电机驱动设计
功率MOSFET驱动保护电路的设计可直接决定系统对执行机构的驱动品质。文中针对具体的微电机驱动保护系统,有针对性地功率驱动保护电路进行计算分析与设计。实验证明该电路设计简单可靠,驱动与保护效果良好,完全可以满足控制系统对执行机构的驱动要求。
永磁无刷直流电机是随着高性能永磁材料、电机控制技术和电力电子技术发展而出现的一种新型电机,它既具有交流电机结构简单、运行可靠、维护方便、寿命长等优点,又具备直流电机运行效率高、无励磁损耗及调速性能好等诸多优点,且还具有功率密度高,低转速,大转矩的特点。它的应用已从最初的军事工业,向航空航天、医疗、信息、家电以及工业自动化等领域迅速发展。
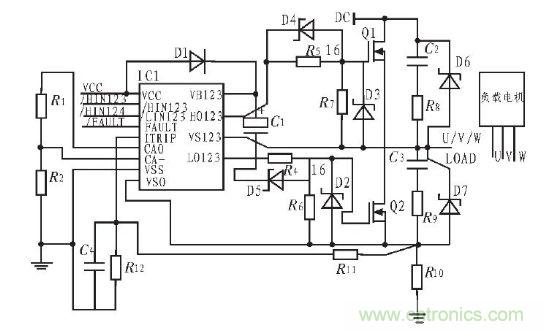
图1是由IR2130组成的无刷直流电机驱动原理图为便于表示只画出其中一个桥臂的电路示意图,通过IR2130输入信号控制MOSFET的开关,由此驱动无刷直流动机。C1是自举电容,为上桥臂功率管驱动的悬浮电源存储能量,D1的作用是防止上桥臂导通时母线电压倒流到IR2130的电源上而使器件损坏,因此D1应有足够的反向耐压,当然D1与C1串联也是为了满足主电路功率开关频率的要求,D1应选快速恢复二极管。 R1、R2、R10、R11、R12、C4组成过流检测电路。R5、R6为栅极驱动电阻,D4、D5为功率管提供了一个低阻抗的放电回路,使功率管能够快速的泄放电荷。

图1:无刷直流电机驱动原理图
功率场效应管的栅极与源极之间并联了一个电阻和一个齐纳二极管,电阻的作用是降低栅极与源极间的阻抗,齐纳二极管的作用是防止栅极与源极间尖端电压击穿功率管。同时在功率场效应管的漏极与源极之间并联了一个RC电路和齐纳二极管,由于器件开关瞬间电流的突变而产生漏极尖峰电压,所以必须加上RC缓冲电路和齐纳二极管对其进行保护。
在实际应用中栅极的驱动波形如图4所示,此波形是在电机3000RPM时的驱动波形,可以看出此波形完全能够满足要求,同时进行了短路、电机堵转等试验,图1电路也能过很好地保护功率MOSFET管。

图2:栅极驱动波形
