延长电池使用寿命须降低平均流耗
品慧电子讯数字信号处理器 (DSP) 常用于要求高性能的应用领域,从而导致时钟运行速度不断提升。任何需要高速运行并集成成百上千万晶体管的处理器都需要尽可能地降低功耗。
过去10 年来,架构创新与低功耗策略推动DSP处理能力不断加强,MIPS性能不断提升,同时,其他性能参数也在迅速得到改进。在这种情况下,由于具备这些更高性能的 DSP,诸如手机与超便携式音频播放器等基于DSP的系统的电池使用寿命总体上有了稳定而显著的提升。
头戴式耳机与其他便携式消费类音频设备是要求最佳电源效率的重要范例。此外,工业与医疗产品也在不断向支持高级功能的高集成度便携式设备方向发展。这些设备的电源要求在很大程度上与超便携式消费类电子产品相似。
在DSP技术取得快速发展的同时,微控制器(MCU)系统面临着不断降低功耗的压力。相对于DSP,MCU 在降低功耗方面拥有自己独特的优势,例如,其晶体管数量较少,时钟速度较低,而且通常工作电压也较低。
不同于用微安计算的DSP,电源优化的现代MCU的待机电流可以纳安计。尽管 DSP的性能大大超过 MCU,而且在电源方面也得到了显著优化,但芯片设计人员在省电方面可做的毕竟有限。
常规性认识
在延长电池使用寿命方面,系统设计工程师的常识是“一颗芯片肯定比两颗芯片好”。他们的想法简单而直接,认为芯片间的通信肯定比片上通信的功耗大,两颗芯片的晶体管数量明显大于集成了对等功能的单颗芯片。不过,常识未必总是正确的。
随着DSP开始集成如加速器、专用通信模块与网络外设等片上功能,其功能对于系统设计人员来说也正变得越发强大和实用。但是,如果芯片仅仅为了执行简单的常规处理或监管程序就保持开启的话,就会产生大量无谓的功耗。
决定电池使用寿命的是系统的平均流耗,而非既定时间的瞬时流耗。因此,要延长电池使用寿命,就必须降低平均流耗。器件处于运行状态时,典型的高端处理器支持时钟缩放及其他降低功耗的特性,但如果处于非工作状态,器件就很难拥有出色的节电性能了。众多高性能处理器在停止模式下的耗电量达到 50~100μA以上。尽管乍看起来这种电流消耗还是可以接受的,但要知道,这是处理器停机时的持续耗电,而且不通过外部重启的话就不能执行任何任务。
对这种处理器及其他较高端处理器来说,保持低功耗状态,同时又能激励或执行系统或进行监管任务,这时功耗为数十毫安。这就是说,如果系统依赖高端处理器来执行监管任务,电池的使用寿命不过几天而已。
但是,如果通过其他器件来实施系统和监管功能,而这种器件又可管理主处理器的电源,那么系统的平均电流消耗就可显著降低。
就某些应用而言,用MCU取代DSP执行系统监管任务是一种非常明智的设计决策。明确双处理器系统架构是否是正确的选择取决于众多因素。应用本身是最重要的因素,因为大多数设计方案还要考虑到空间与成本的局限性。
举例来说,供电监控、复位监管以及电源排序等都是系统需要的最基本的监管功能。当前众多 SoC 都具备多条电源轨,上电时必须进行适当排序才能正常运行。固定功能器件可执行所有上述功能,但却不能满足系统的其他要求,也不能在不需要时关闭主处理器。以小型的低功耗微控制器取代固定功能器件可增加管理主处理器电源的功能,同时还能实施排序、监控以及监管等功能。
低引脚数的低功耗微控制器正好能实现这种功能。举例来说,德州仪器(TI)推出的MSP430F20x1与MSP430F20x2两款器件均属14引脚的微控制器,并分别带有一个比较器和10位ADC。它们的待机流耗不足1μA,而且运行时的电流也不过几百微安。

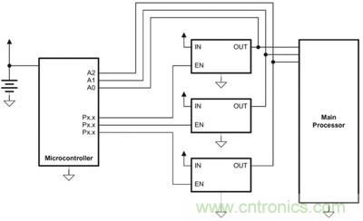
图1:小型微控制器管理主处理器的电源排序,并实施电源管理
图1 显示了一个小型微控制器控制主处理器的电源排序、实施电源管理的实例。微控制器上的软件例程可根据正确顺序启动主处理器调节器,并通过内部 ADC 来确认电源轨达到适当电压的时间。不需要主处理器时,可通过调节器的关断特性来关闭主处理器,从而节约主处理器70μA到几毫安的电耗。
更好地了解DSP与MCU各自对优化电源的作用是制定何时将二者在设计方案中结合使用的关键因素。设计人员通过将两个超低功耗处理器用于完成主处理器周期与监控功能,让它们分别实现最大化的电源效率,同时又能获得独特的性能、集成与成本优势,这样就能使双低功耗处理器系统的电池使用寿命超过单个处理器系统。
DSP的电源
DSP芯片设计人员采用了众多低功耗技术方案,如降低工作电压、将芯片分为多个时钟域等大多数方案都是在后台执行的。系统设计人员不必过多控制这些特性就能获得相关优势。
不过,在DSP选择过程中,系统设计人员要对应用的执行方式发挥充分的作用。在选择最佳DSP时,应考虑以下四个重要特性。
● 采用大容量片上存储器:在应用一般功耗基础上,每次执行片外存储器调用时都要消耗额外的电源。如果使用外部RAM,就必须为其持续供电,这是一个连续的耗电过程。
● 选择能高度控制外设的 DSP,因为这直接有利于进一步降低功耗:数种DSP能在外设处于非工作状态时自动将片上外设关断,或允许系统设计人员手动管理外设状态。不过这种特性在粒度性上有一定局限。
● 选择可提供多种待机状态的DSP:选项越多,从长远来看节电性能就越好。
● 选择可提供开发软件的 DSP,以专用于优化电源并最小化功耗:所选工具应能轻松缩放芯片的电压与频率,管理电源状态,测量并分析功耗,从而评估各种可选的设计方案。
品慧电子讯数字信号处理器 (DSP) 常用于要求高性能的应用领域,从而导致时钟运行速度不断提升。任何需要高速运行并集成成百上千万晶体管的处理器都需要尽可能地降低功耗。
过去10 年来,架构创新与低功耗策略推动DSP处理能力不断加强,MIPS性能不断提升,同时,其他性能参数也在迅速得到改进。在这种情况下,由于具备这些更高性能的 DSP,诸如手机与超便携式音频播放器等基于DSP的系统的电池使用寿命总体上有了稳定而显著的提升。
头戴式耳机与其他便携式消费类音频设备是要求最佳电源效率的重要范例。此外,工业与医疗产品也在不断向支持高级功能的高集成度便携式设备方向发展。这些设备的电源要求在很大程度上与超便携式消费类电子产品相似。
在DSP技术取得快速发展的同时,微控制器(MCU)系统面临着不断降低功耗的压力。相对于DSP,MCU 在降低功耗方面拥有自己独特的优势,例如,其晶体管数量较少,时钟速度较低,而且通常工作电压也较低。
不同于用微安计算的DSP,电源优化的现代MCU的待机电流可以纳安计。尽管 DSP的性能大大超过 MCU,而且在电源方面也得到了显著优化,但芯片设计人员在省电方面可做的毕竟有限。
常规性认识
在延长电池使用寿命方面,系统设计工程师的常识是“一颗芯片肯定比两颗芯片好”。他们的想法简单而直接,认为芯片间的通信肯定比片上通信的功耗大,两颗芯片的晶体管数量明显大于集成了对等功能的单颗芯片。不过,常识未必总是正确的。
随着DSP开始集成如加速器、专用通信模块与网络外设等片上功能,其功能对于系统设计人员来说也正变得越发强大和实用。但是,如果芯片仅仅为了执行简单的常规处理或监管程序就保持开启的话,就会产生大量无谓的功耗。
决定电池使用寿命的是系统的平均流耗,而非既定时间的瞬时流耗。因此,要延长电池使用寿命,就必须降低平均流耗。器件处于运行状态时,典型的高端处理器支持时钟缩放及其他降低功耗的特性,但如果处于非工作状态,器件就很难拥有出色的节电性能了。众多高性能处理器在停止模式下的耗电量达到 50~100μA以上。尽管乍看起来这种电流消耗还是可以接受的,但要知道,这是处理器停机时的持续耗电,而且不通过外部重启的话就不能执行任何任务。
对这种处理器及其他较高端处理器来说,保持低功耗状态,同时又能激励或执行系统或进行监管任务,这时功耗为数十毫安。这就是说,如果系统依赖高端处理器来执行监管任务,电池的使用寿命不过几天而已。
但是,如果通过其他器件来实施系统和监管功能,而这种器件又可管理主处理器的电源,那么系统的平均电流消耗就可显著降低。
就某些应用而言,用MCU取代DSP执行系统监管任务是一种非常明智的设计决策。明确双处理器系统架构是否是正确的选择取决于众多因素。应用本身是最重要的因素,因为大多数设计方案还要考虑到空间与成本的局限性。
举例来说,供电监控、复位监管以及电源排序等都是系统需要的最基本的监管功能。当前众多 SoC 都具备多条电源轨,上电时必须进行适当排序才能正常运行。固定功能器件可执行所有上述功能,但却不能满足系统的其他要求,也不能在不需要时关闭主处理器。以小型的低功耗微控制器取代固定功能器件可增加管理主处理器电源的功能,同时还能实施排序、监控以及监管等功能。
低引脚数的低功耗微控制器正好能实现这种功能。举例来说,德州仪器(TI)推出的MSP430F20x1与MSP430F20x2两款器件均属14引脚的微控制器,并分别带有一个比较器和10位ADC。它们的待机流耗不足1μA,而且运行时的电流也不过几百微安。

图1:小型微控制器管理主处理器的电源排序,并实施电源管理
图1 显示了一个小型微控制器控制主处理器的电源排序、实施电源管理的实例。微控制器上的软件例程可根据正确顺序启动主处理器调节器,并通过内部 ADC 来确认电源轨达到适当电压的时间。不需要主处理器时,可通过调节器的关断特性来关闭主处理器,从而节约主处理器70μA到几毫安的电耗。
更好地了解DSP与MCU各自对优化电源的作用是制定何时将二者在设计方案中结合使用的关键因素。设计人员通过将两个超低功耗处理器用于完成主处理器周期与监控功能,让它们分别实现最大化的电源效率,同时又能获得独特的性能、集成与成本优势,这样就能使双低功耗处理器系统的电池使用寿命超过单个处理器系统。
DSP的电源
DSP芯片设计人员采用了众多低功耗技术方案,如降低工作电压、将芯片分为多个时钟域等大多数方案都是在后台执行的。系统设计人员不必过多控制这些特性就能获得相关优势。
不过,在DSP选择过程中,系统设计人员要对应用的执行方式发挥充分的作用。在选择最佳DSP时,应考虑以下四个重要特性。
● 采用大容量片上存储器:在应用一般功耗基础上,每次执行片外存储器调用时都要消耗额外的电源。如果使用外部RAM,就必须为其持续供电,这是一个连续的耗电过程。
● 选择能高度控制外设的 DSP,因为这直接有利于进一步降低功耗:数种DSP能在外设处于非工作状态时自动将片上外设关断,或允许系统设计人员手动管理外设状态。不过这种特性在粒度性上有一定局限。
● 选择可提供多种待机状态的DSP:选项越多,从长远来看节电性能就越好。
● 选择可提供开发软件的 DSP,以专用于优化电源并最小化功耗:所选工具应能轻松缩放芯片的电压与频率,管理电源状 态,测量并分析功耗,从而评估各种可选的设计方案。
品慧电子讯数字信号处理器 (DSP) 常用于要求高性能的应用领域,从而导致时钟运行速度不断提升。任何需要高速运行并集成成百上千万晶体管的处理器都需要尽可能地降低功耗。
过去10 年来,架构创新与低功耗策略推动DSP处理能力不断加强,MIPS性能不断提升,同时,其他性能参数也在迅速得到改进。在这种情况下,由于具备这些更高性能的 DSP,诸如手机与超便携式音频播放器等基于DSP的系统的电池使用寿命总体上有了稳定而显著的提升。
头戴式耳机与其他便携式消费类音频设备是要求最佳电源效率的重要范例。此外,工业与医疗产品也在不断向支持高级功能的高集成度便携式设备方向发展。这些设备的电源要求在很大程度上与超便携式消费类电子产品相似。
在DSP技术取得快速发展的同时,微控制器(MCU)系统面临着不断降低功耗的压力。相对于DSP,MCU 在降低功耗方面拥有自己独特的优势,例如,其晶体管数量较少,时钟速度较低,而且通常工作电压也较低。
不同于用微安计算的DSP,电源优化的现代MCU的待机电流可以纳安计。尽管 DSP的性能大大超过 MCU,而且在电源方面也得到了显著优化,但芯片设计人员在省电方面可做的毕竟有限。
常规性认识
在延长电池使用寿命方面,系统设计工程师的常识是“一颗芯片肯定比两颗芯片好”。他们的想法简单而直接,认为芯片间的通信肯定比片上通信的功耗大,两颗芯片的晶体管数量明显大于集成了对等功能的单颗芯片。不过,常识未必总是正确的。
随着DSP开始集成如加速器、专用通信模块与网络外设等片上功能,其功能对于系统设计人员来说也正变得越发强大和实用。但是,如果芯片仅仅为了执行简单的常规处理或监管程序就保持开启的话,就会产生大量无谓的功耗。
决定电池使用寿命的是系统的平均流耗,而非既定时间的瞬时流耗。因此,要延长电池使用寿命,就必须降低平均流耗。器件处于运行状态时,典型的高端处理器支持时钟缩放及其他降低功耗的特性,但如果处于非工作状态,器件就很难拥有出色的节电性能了。众多高性能处理器在停止模式下的耗电量达到 50~100μA以上。尽管乍看起来这种电流消耗还是可以接受的,但要知道,这是处理器停机时的持续耗电,而且不通过外部重启的话就不能执行任何任务。
对这种处理器及其他较高端处理器来说,保持低功耗状态,同时又能激励或执行系统或进行监管任务,这时功耗为数十毫安。这就是说,如果系统依赖高端处理器来执行监管任务,电池的使用寿命不过几天而已。
但是,如果通过其他器件来实施系统和监管功能,而这种器件又可管理主处理器的电源,那么系统的平均电流消耗就可显著降低。
就某些应用而言,用MCU取代DSP执行系统监管任务是一种非常明智的设计决策。明确双处理器系统架构是否是正确的选择取决于众多因素。应用本身是最重要的因素,因为大多数设计方案还要考虑到空间与成本的局限性。
举例来说,供电监控、复位监管以及电源排序等都是系统需要的最基本的监管功能。当前众多 SoC 都具备多条电源轨,上电时必须进行适当排序才能正常运行。固定功能器件可执行所有上述功能,但却不能满足系统的其他要求,也不能在不需要时关闭主处理器。以小型的低功耗微控制器取代固定功能器件可增加管理主处理器电源的功能,同时还能实施排序、监控以及监管等功能。
低引脚数的低功耗微控制器正好能实现这种功能。举例来说,德州仪器(TI)推出的MSP430F20x1与MSP430F20x2两款器件均属14引脚的微控制器,并分别带有一个比较器和10位ADC。它们的待机流耗不足1μA,而且运行时的电流也不过几百微安。

图1:小型微控制器管理主处理器的电源排序,并实施电源管理
图1 显示了一个小型微控制器控制主处理器的电源排序、实施电源管理的实例。微控制器上的软件例程可根据正确顺序启动主处理器调节器,并通过内部 ADC 来确认电源轨达到适当电压的时间。不需要主处理器时,可通过调节器的关断特性来关闭主处理器,从而节约主处理器70μA到几毫安的电耗。
更好地了解DSP与MCU各自对优化电源的作用是制定何时将二者在设计方案中结合使用的关键因素。设计人员通过将两个超低功耗处理器用于完成主处理器周期与监控功能,让它们分别实现最大化的电源效率,同时又能获得独特的性能、集成与成本优势,这样就能使双低功耗处理器系统的电池使用寿命超过单个处理器系统。
DSP的电源
DSP芯片设计人员采用了众多低功耗技术方案,如降低工作电压、将芯片分为多个时钟域等大多数方案都是在后台执行的。系统设计人员不必过多控制这些特性就能获得相关优势。
不过,在DSP选择过程中,系统设计人员要对应用的执行方式发挥充分的作用。在选择最佳DSP时,应考虑以下四个重要特性。
● 采用大容量片上存储器:在应用一般功耗基础上,每次执行片外存储器调用时都要消耗额外的电源。如果使用外部RAM,就必须为其持续供电,这是一个连续的耗电过程。
● 选择能高度控制外设的 DSP,因为这直接有利于进一步降低功耗:数种DSP能在外设处于非工作状态时自动将片上外设关断,或允许系统设计人员手动管理外设状态。不过这种特性在粒度性上有一定局限。
● 选择可提供多种待机状态的DSP:选项越多,从长远来看节电性能就越好。
● 选择可提供开发软件的 DSP,以专用于优化电源并最小化功耗:所选工具应能轻松缩放芯片的电压与频率,管理电源状态,测量并分析功耗,从而评估各种可选的设计方案。
