单相桥式PWM逆变器死区补偿的一种方法
中心议题:
- 单相桥式PWM逆变电路
- PWM控制过程的分析
桥式PWM逆变器中,为了防止同桥臂开关器件直通,需要在其互补驱动信号中设置死区,但同时会导致输出电压基波幅值降低并产生低次谐波等。为改善输出电压波形,可采取多种方法,相关资料也介绍了死区补偿的方法,但未能采用图文形象、直观的介绍死区补偿的过程,而采用纯数学推理和文字说明较抽象,不易理解。本文详细介绍了一种死区补偿的方法。
1 单相桥式PWM逆变电路
在采用IGBT作为开关器件的单相桥式PWM逆变电路中,假设负载为阻感负载。工作时V1和V2的通断状态互补,V3和V4的通断状态也互补。逆变桥的主回路由左右桥臂组成,每个桥臂有两个IGBT,每一个开关器件都有一个PWM波控制其导通,且同一桥臂上的两功率开关器件不能同时导通,否则会导致直流电压短路。考虑到在感性负载下二极管VD1、VD2、VD3、VD4存在着续流的现象,且逆变桥同一桥臂上的两个IGBT不能同时导通,所以在逆变电路中存在着五种开关状态,具体情况如表1所示。单相桥式删逆变电路如图1所示。


图1 单相桥式PWM逆变电路
2 PWM控制过程的分析
2.1 PWM的产生机制
本文采用调制法产生PWM波形,采用等腰三角波作为载波,因为等腰三角波上任一点的水平宽度和高度成线性关系且左右对称,当它与任何一个平缓变化的调制信号波相交时,如果在交点时刻对电路中开关器件的通断进行控制,就可以得到正比于信号波幅值的脉冲,这正好符合PWM控制的要求。
本文设置三角波频率为550Hz,正弦波频率为50Hz,通过调制法得到每个IGBT的PWM波形图如图2所示。

图2 IGBT的控制信号123下一页> 关键字:单相桥式PWM逆变器 死区补偿 PWM 逆变器  本文链接:http://www.cntronics.com/public/art/artinfo/id/80012551
2.2 死区补偿
在电压型逆变电路的PWM控制中,同一相上下两个桥臂的驱动信号都是互补的。但由于IGBT的截止时间约为200多纳秒,导通时间约为100多纳秒,开通速度比关断速度快。如果在一个IGBT截止的同时让此桥臂的另一个IGBT导通,将会出现上下两个桥臂直通而短路的现象。为了防止发生这一现象,必须在开通和关断信号之间设置一个死区时间,因而理想的调制信号和开关管输出的实际信号之间存在偏差。死区时间的存在导致输出电压波形产生畸变,降低了基波幅值,增加了负载的谐波损耗。
为了避免桥臂直通设置的死区时间虽然宽度很小,仅占开关周期的百分之几,单个脉冲不足以影响整个系统的性能,但由于开关频率较高,其积累效应足以使输出波形发生畸变并产生谐波干扰,所以有必要对死区效应进行补偿。
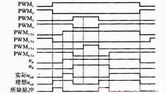
在图1所示的单相SPWM逆变电路中,设置死区前后的控制波形如图3所示。

图3 单相SPWM逆变桥设置死区前后的控制波形(i>0时)
由图3可知,由死区及续流所致,当i>0时,正向脉冲较理想时减小了Td,负向脉冲增加了Td;当i<0时,情况相反。
由于在死区时间内,存在V1、V2、V3、V4都不导通的情况。当电路为阻感负载时,由于电感中的电流不能突变,所以电路会在死区时间通过续流二极管续流。
通过比较可知,因为续流的缘故,死区时间内A、B点的电位不再为零。当i>0时,VD2、VD3续流形成回路,A端电位UA为-Ed/2,B端电位UB为+Ed/2;当i<0时,VD1、VD4续流形成回路,A端电位UA为+Ed/2,B端电位UB为-Ed/2。
A、B两点之间电压分别为,UAB=UA-UB,UAB''=UA''-UB'',可以看出,原来处于死区时间内电压为0的区域在续流的作用下变得有电压了。电压的大小由电流的方向决定,当i>0时,VD2、VD3续流形成回路,输出电压UO=UA-UB为-Ed;当i<0时,VD1、VD4续流形成回路,输出电压UO=UA-UB为+Ed。
由于受续流的影响,输出电压和输出电流存在相位差φ,降低了系统的功率因素。为了提高功率因数,需要对波形进行死区补偿。
图4是在死区时间Td内A点和B点的电位。图中虚线部分面积和Td时间内产生的UA"(或UB")的面积大小相等。

图4 死区补偿原理图
设置死区后的PWM波形会发生形变,使其稍稍偏离正弦波。这时需要对IGBT在死区时间中功率的减小做出补偿。将图4(a)中的虚线部分补偿给ur得到图4(c),将图4(b)中虚线部分补偿给反向正弦波得到图4(d),从而实现了在死区时间内功率损失的补偿。
<上一页123下一页> 关键字:单相桥式PWM逆变器 死区补偿 PWM 逆变器  本文链接:http://www.cntronics.com/public/art/artinfo/id/80012551?page=2
2.3 输出电压和输出电流的分析
图5(a)和(b)分别为输出电压和输出电流的波形,从图中可以看出输出电流的相位比输出电压滞后φ个角度。为了便于对器件的选择,将输出电流的波形进行了分解。

图5 单相SPWM逆变电路输出波形图
其中Id为输出电流的有效值,iβ0为器件上电流的基波分量,iβ为器件上的电流。
3 实验与结果
本文以三角波频率550Hz,正弦波频率50Hz为例介绍了死区补偿的方法,但在实际应用中三角波频率要大得多,这里选取550Hz目的是为了便于分析。
在实验中,开关频率为10kHz,正弦波频率为50Hz,取L1=1.15mH,L2=0.1mH,C=90μF,负载为纯阻性,满载时为8欧姆,死区时间Td设置为2μs。
通过实验得出补偿前后的波形图如图6所示。

图6 补偿前后输出电压及谐波分量的波形
4 结束语
在死区时间内,由于续流的缘故输出电压波形发生了畸变,通过对波形进行等效的补偿可以得到准正弦波。推理和实验均证明该方法能较好地对逆变器桥路输出电压进行补偿。该方法简单实用,易于实现,具有一定的工程使用价值。
