液晶显示器电源管理的电路设计
中心议题:
- 液晶显示电源管理的电路设计方案
- 液晶显示电源管理软件流程及显示效果分析
解决方案:
- 驱动电压产生电路
- 时序控制电路
- 温度补偿电路
- 对比度调节电路
本文介绍了一新型液晶显示电源管理的电路设计,该电路用硬件有效控制液晶显示上、下电时序,且具有极低的静态功耗、良好的温度补偿和软、硬件调节液晶显示对比度的功能。
1 引 言
要实现液晶显示器显示须具备以下4 个单元:控制器(Controller) 、电源管理单元(PMU) 、驱动电路(Driver) 、液晶显示器件(LCD) 。对于分辨率较小的液晶显示器件,如128×64、128×32等模块都具有控制器、电源管理单元、驱动器于一体的芯片。但对于高分辨率的液晶显示器(如320×240 ,640×480) 需要单独的控制器、电源管理单元、驱动器。本文给出了一种高分辨率液晶显示器电源管理电路的设计方案。
2 电路设计方案
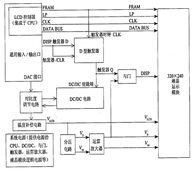
实现液晶显示须具备4个单元,其框图如图1所示。本文给出的电源管理电路设计方案具有驱动电压产生、时序控制、温度补偿和对比度调节的功能,其框图如图2所示。

图1 液晶显示系统4个单元框图
2. 1 驱动电压产生电路
液晶显示不仅需要逻辑电源,而且要有驱动电源。驱动电源因驱动芯片的不同而异,本文以日本日立公司HT66130/ HT66137为例。该系列芯片是驱动高分辨率液晶显示器的芯片,所需驱动电压为VLCD 、V0 、VM3种。由于占空比达1/240 ,VLCD电压达15V以上,我们选用美信公司的DC/DC器件MAX1606产生15.9V的VLCD电压,经电阻分压得到V0 和VM ,V0 和VM再经运算放大器提供给HT66130和HT6613,如图2所示。

图2 液晶显示电源管理框图
1234下一页> 关键字:液晶显示 电源管理 时序控制 静态功耗 温度补偿 对比度调节  本文链接:http://www.cntronics.com/public/art/artinfo/id/80015512
2. 2 时序控制电路
所有液晶显示器对于上电、下电时序都有严格要求。如果上电、下电时序不符合要求,则不能正常显示,常常会出现乱码、锁存、残留显示等现象。以日本日立公司驱动芯片HT66130/HT66137驱动320×240液晶显示屏为例,对上电、下电时序的要求如图3所示,一般液晶显示驱动芯片要求也大致如此。
通常液晶显示器的电源管理电路是依靠CPU用软件来控制信号的时序,以保证液晶显示器件对上电、下电时序的要求。这就占用更多的通用输入、输出口(GPIO),而且对于上电瞬间软件尚未运行起来,只能依靠CPU的GPIO的默认状态来控制。目前智能手机等双CPU系统更不易依靠软件来实现控制。本文设计的电路仅需一个GPIO(即显示使能信号DISP) ,就可以控制上、下电时序及驱动电源的开关,而且对DISP无任何时序要求。

图3 日立公司HT66130/HT66137时序图
对上电时序,一般必须有一帧频初始化时间后,才可置显示使能信号为高电平。传统做法是依靠CPU的GPIO口延时来控制。本文设计的电路利用D型触发器,并以帧频信号(FRAME)为时钟输入,以显示使能信号(DISP)为D输入并控制CLEAR端,Q端输出控制整个驱动电路的开关。这样既可以实现DISP输入的时序控制,又可以用DISP控制整个驱动电源电路的开关。由于DISP可关掉驱动电路,所以可以实现待命状态驱动电路功耗很小,仅有触发器和门电路的静态电流。为了满足驱动电压稳定后DISP信号输入,我们采用与门控制DISP与驱动电压输入来实现DISP输出。
下电时,必须严格遵循显示使能信号、驱动电源、显示时钟/ 数据信号、逻辑电源的时序。为满足下电时序要求,一般也是利用CPU的GPIO来控制。该设计利用D触发器及与门可实现DISP置低提前于驱动电压。采用DISP信号控制电源电路,当DISP置低时,HT66130/HT66137驱动芯片的驱动电源完全关掉,无须另外的GPIO口来控制。测试表明电路运行正常,能有效地控制上电、下电的时序,无乱码、锁存、残留显示等现象。而且在待命状态驱动电路功耗很小,仅为0.2 mW(包括电路与液晶显示器件)。
2. 3 温度补偿电路
为保证液晶显示能在较宽的温度范围正常工作,温度补偿电路十分必要。所用液晶屏的驱动电压与温度特性如图4 实线所示。由此利用热敏电阻的温度特性及电阻的串并关系,优化出了电路设计,具体电路如图5。R1=638 kΩ,R2=110 kΩ,R3=62 kΩ,RTH的特性如表1。用R1、R2 、R3 、RTH和DC/DC(MAX1606)输出电压的计算公式:
进行了模拟计算,结果如表1,由表1所得曲线如图4。表1和图4表明电路输出和液晶屏的要求吻合,电路能够保证液晶在-20~70°C 范围内正常显示。而且高、低温测试结果证实,在-20~70 °C范围内对比度正常。
<上一页1234下一页> 关键字:液晶显示 电源管理 时序控制 静态功耗 温度补偿 对比度调节  本文链接:http://www.cntronics.com/public/art/artinfo/id/80015512?page=2


图4 液晶屏温度补偿曲线
2. 4 对比度调节电路
液晶显示器对比度的调节可分为硬件调节和软件调节。图5的电路具有软、硬件调节功能。其中R1是可调电阻,可调节VLCD的电压,从而液晶显示器的对比度得到调节;电路中还可利用CPU与数模转换器(DAC)相结合来控制DC/DC的反馈端的电压,从而实现软件调节液晶显示器的对比度。

图5 温度补偿/ 对比度调节电路
<上一页1234下一页> 关键字:液晶显示 电源管理 时序控制 静态功耗 温度补偿 对比度调节  本文链接:http://www.cntronics.com/public/art/artinfo/id/80015512?page=3
3 软件流程图及显示效果图
液晶显示器启动、关闭的测试流程图如图6。其中LCD控制器的初始化最为重要,须依照液晶显示模块的要求配置CPU的寄存器和延时时间。

图6 液晶显示软件流程图
4 结 论
实际测试表明电路运行正常,能有效地控制上电、下电的时序;待命状态驱动电路功耗仅为0.2mW;温度补偿特性良好;软、硬件都能调节液晶显示对比度。
