测量小阻值电阻的辅助电路
中心议题:解决方案:
- 调整恒流源电流
- 调整放大电路的放大倍数
- 归零调整
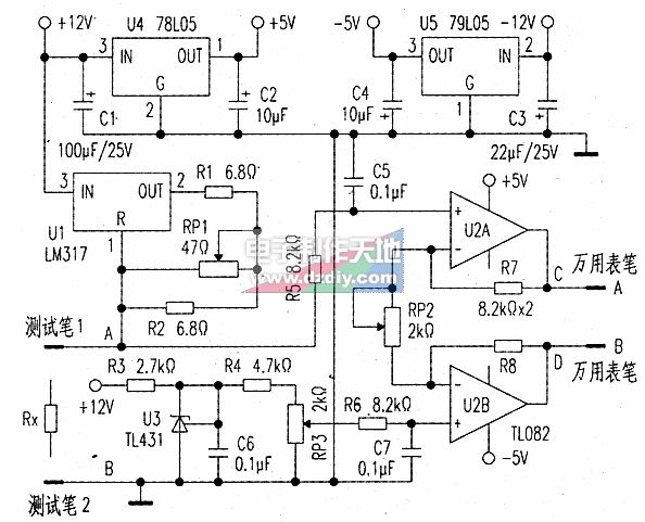
实际工作中,为分析电路原理,在根据实物绘制电原理图时,往往需要测出小阻值电阻的实际阻值,比如高档开关电源中用于检测负载电流的康铜电阻(一般为毫欧级),过流保护用的大功率小阻值电阻(有些达到0.1Ω以下),大功率功放电路中与电流放大管(E极或s极)串接的反馈电阻(一般为零点几欧姆)。由于普通数字万用表电阻挡的最小量程为200Ω,受精度限制,往往无法精确测量出这些电阻的具体阻值,也无法判断出它们的一致性如何,常常为此感到困难。为此,试制做如图1所示的辅助电路,结合万用表的直流低电压挡(200mV、2V、20V),实现对小阻值电阻的精确测量。
工作原理:通过恒流源给被测电阻RX加一定的电流,再用万用表测量Rx两端的电压,所测的电压值除以流过被测电阻Rx的恒定电流,即可得出被测电阻的阻值。理论上流过待测电阻的电流越大,越易于精确测出小阻值电阻Rx的阻值,但电流过大,一是会引起恒流源严重发热,影响电流的稳定性,导致所测阻值不准;二是小功率电阻不允许过大的电流流过。为此本电路选用LM317(U1)和电阻R1、R2、电位器RP1一起构成简单的100mA的恒流源。

由运算放大器U2A和U2B及R7、R8、RP2(精密电位器)构成电压放大电路,对被测电阻两端的电压进行10倍放大,这样数字万用表从C、D两点测得的电压值就可以与被测电阻RX的阻值相对应(1mV对应1mΩ,1V对应1Ω)。
为了提高放大器的稳定度和精度,用u4和u5为运放提供对称的+5V工作电源。U3以及电阻R3构成2.5v参考电位电路,通过R4及精密电位器RP3给运放U2B的同相端施加合适的电位,用于抵消由于电流流经测试笔1和测试笔2引线以及接触电阻所产生的电压降。
制作与调试:按图1所示在一块面包板上焊接出辅助电路板.如图2所示。制作过程中需要注意以下几点:
(1)地线需汇接于图1所示的B点,以免流过被测电阻Rx的“大电流”影响运放工作。
(2)U4 (78L05)和u5(79L05)应选取输出电压数值一致的管子,保证运放工作电压±5V对称。
(3)电阻R7和R8需仔细挑选,确保其阻值一致性好。
(4)电路选用了计算机开关电源的±12V做电源.因此LM317发热量较大,需加装合适的散热器,这也是本电路的缺陷。
调试步骤:第一步,调整恒流源电流。将数字万用表置于直流200mA挡.串接于A、B之间,加电后仔细调节电位器RP1.使万用表的读数稳定在100mA。第二步.调整放大电路的放大倍数。首先将A、B两点短接,然后将数字表(200mV电压挡)接到电位器RP3的中心脚与地之间,加电后调节精密电位器RP3.使万用表的读数为100mV,再将万用表接到C、D之间.仔细调节精密电位器RP2,使万用表的读数稳定到1V。第三步,归零调整。断电的情况下,断开上一步连接在A、B之间的短路线,加电后将测试笔1和测试笔2碰在一起,仔细调节精密电位器RP3.使c、D两点之间的电压尽量为0mV.
实际操作中调到0mV比较困难.但可以调整到3mv-6mV,这样可以保证所测电压精度小于10mV(对应于10mΩ)。
实测与比较:本电路适合测量小于8Ω以下的小电阻。实际测量时将数字万用表(低电压挡)接在C、D之间,加电后用测试笔1和测试笔2可靠接触被测电阻两端.从万用表上读数(1mV对应1mΩ,.IV对应1Ω),可得出被测小阻值电阻的阻值。需测量毫欧级电阻(比如高档开关电源中的康铜电阻)阻值时,可先将两测试笔置于康铜电阻某一端的焊盘上,测量并记下读数;再将两测试笔分别置于康铜电阻两端的焊盘上,再次测量并记下读数:然后用后一次测量的读数减去前次测量的读数.可以得到毫欧级电阻的阻值。附表为用VICTOR VC9805A+型数字万用表200Ω挡和使用该电路协同该万用表低电压档测量不同小阻值电阻的实际数据,单位为Ω。
┏━━━━━━━━━━┳━━━━━┳━━━┳━━━━┳━━━━┳━━━┳━━━━┳━━━┳━━━┓
┃标称值┃康铜电阻┃0.1 ┃ 0.2┃0.22┃ 0.47 ┃0.56┃1 ┃2 ┃
┣━━━━━━━━━━╋━━━━━╋━━━╋━━━━╋━━━━╋━━━╋━━━━╋━━━╋━━━┫
┃用万用表电阻档┃0 ┃ 0.2┃ 0.3┃ 0.3┃0.6 ┃0.6 ┃ l.2┃2.2 ┃
┣━━━━━━━━━━╋━━━━━╋━━━╋━━━━╋━━━━╋━━━╋━━━━╋━━━╋━━━┫
┃本电路与万用表结合┃5 mΩ┃ 0.102┃0.205 ┃0.224 ┃0.481 ┃0.574 ┃1.009 ┃ 2.02 ┃
┗━━━━━━━━━━┻━━━━━┻━━━┻━━━━┻━━━━┻━━━┻━━━━┻
