新型软开关高压脉冲电容恒流充电技术
中心议题:
- 高压脉冲电容充电电源的技术指标
- 基本恒流充电电路的分析与计算
- 高重复频率及小电容负载的高稳定度充电技术问题
解决方案:
- 改进控制电路
- 采用双桥路的移相控制电路
本文介绍了新型软开关脉冲电容充电技术, 其基本电路采用串联谐振拓扑, 具备零电流开关、恒流充电、内在短路保护等优点。导出了该基本电路重要参数的计算公式。仿真了一个16kJ/s 充电电源的波形。在重复频率较高、负载电容容量偏小时的不利情况下, 在基本恒流电路的基础上, 探讨了几种改善充电电压稳定性的途径, 同时保留了恒流源的优点。
在粒子加速器、激光脉冲、雷达发射等技术领域中, 广泛使用功率脉冲调制器, 脉冲调制器通常由直流高压充电电源、高压储能电容或脉冲成形网络(PFN ) 及负载组成, 高压储能电容或PFN 先被充电至所需电压, 然后在时序信号作用下通过放电开关向匹配负载放电而产生一定宽度的功率脉冲, 对不同的应用场合, 脉冲重复频率可能由单次放电到几千赫兹不等。在某些应用场合, 往往要求充电电压稳定性好于1% 甚至0. 1% 。最传统的充电方式是使用工频高压电源和De2Q 电路的LC 谐振充电方式, 储能电容可获得两倍于高压电源的电压值,虽然技术路线较简单, 但由于工作于低频状态, 体积、重量大,且纹波、稳定性不能令人满意, 电网电压波动时尤其如此。
比较先进的技术路线是采用电力电子学中的开关变换技术。由于新型功率开关器件及新电路拓扑的不断进步, 开关变换技术得到了迅速的发展, 较之于硬开关电路, 谐振开关电路因工作于软开关状态, 技术更先进, 具备开关损耗小、谐波分量小、频率高(如几十kHz)、储能元件体积小等优点。
1 高压脉冲电容充电电源的技术指标
图1 是脉冲电容或PFN 的充放电波形, 其中T c 是充电时间, T w 是放电等待时间, T p 是充电重复周期。则平均充电速率为CV2/2T p , 峰值充电速率为CV2/2T c.充电速率、负载电容容量范围、电压稳定度、纹波、功率因数、效率等都是衡量电源性能的重要指标。

图1 充放电电压波形
2 基本恒流充电电路分析与计算
在谐振开关技术中最适合脉冲电容充电的电路是串联谐振开关电路, 输出近似为恒流源或称"等台阶充电",突出的优点是充电效率高且具有固有短路保护能力。图2 所示是串联谐振开关全桥变换电路, 对角线上的两个开关管和另外一条对角线上的开关管交替导通,交替导通一次为一个开关周期T s, 在半个开关周期内, 谐振电流通过开关管及续流二极管完成一次谐振, 负载电容电压升高一个台阶△V .图3 给出了开关管栅极驱动脉冲及谐振电流波形关系图。

图2 串联谐振开关全桥变换充电电路

图3 开关管栅极驱动脉冲及谐振电流波形
忽略回路电阻, 电路的特征阻抗为Z =√ L/C , 谐振周期为T r = 2π √L/C , 其中C 是谐振电容C r 和折合到原边的负载等效电容C''串联后形成的总电容, 通常因高压变压器变比高, 等效电容C ''和C r相比较大, 因此串联后的总电容C 和C r 相差不大。完整的充电电流波形包络及充电电压如图4 所示, 其中t1是转折点, t1 以前是线性等台阶充电, t1 以前电流波形放大如图5 (a) 所示, 转折点附近的电流波形如图5(b) 所示。

图4 一个充电周期的谐振电流包络及充电电压波形

图5 谐振电流波形
通过计算可以得到线性阶段每一个开关周期(两次谐振)C''所充的电量为:

正向电流峰值为:

V s 是电源电压; N 是谐振周期的个数。
反向续流峰值为:

由式(3) 看出反向续流逐步减小, 当N = C''/4C 时续流截止, 电路失去线性充电状态。此转折点的时刻为:

图4 和图5 中的波形是由PSP ICE8. 0 仿真得到的, 元件取值如下: V s= 500V , C r= 1. 6uF, L r=30uH, T s= 100us, (对应开关频率10kHz) , 变压器升压比1∶40, C load= 0. 4uF, 充电功率可达16kJ/s.
输出电压的控制电路相当简单, 当脉冲电容或PFN 充电至所设定值时, 通过取样检测, 关断开关管的驱动输出即可, 电压稳定度取决于半个开关周期(或一个充电台阶) 的电量, 可形象地描述电路工作于"bang-bang"模式, 即T c 时间内充电, T w 时间内开关电路停止工作。
图6 是某调制器充电电源波形图, 该电源充电功率可达2kJ/s , 工作频率12. 5kHz, 电压30kV.测量用的示波器型号为泰克TDS3032.V s= 500V , C r= 0. 4uF,L r= 158uH, T s= 80us, 变压器副边为双绕组,每绕组升压比1∶40, Cload= 0. 66uF.实际电路中L r 完全利用了变压器的漏感, 且漏感选择较大以减小分布电容。图6 (c) 是该电源谐振开关电流的仿真波形, 和实测波形比, 吻合得很好。

图6 某充电电源实测及仿真波形图。(a) 充电电压测量波形; (b) 谐振电流测量波形; (c) 谐振电流仿真波形
3 高重复频率及小电容负载情况下的高稳定度充电技术问题
3. 1 问题的提出
在很多场合下, 串联谐振开关电路配合上述简单的控制电路即能达到较高的充电稳定度, 如国家同步辐射实验室800M eV 储存环新研制的注入冲击磁铁调制器, 因重复频率较低(0. 5Hz)、负载储能电容较大(0. 66uF) , 通过对具体参数进行的设计即可达到0. 1% 的稳定度。但某些应用场合重复频率较高、电容小且要求充电功率大时, 这种方式将不能满足高稳定度的充电要求, 原因是充电时间短、一个充电台阶的电量太大。例如某速调管调制器的重复频率100Hz, PFN 总电容0. 22uF, 充电功率9kJ/s, 充电时间最多只有10ms, 若采用15kHz 谐振开关, 则只有300 个充电台阶, 若稳定度和一个台阶的充电电压相当, 则难以达到0. 1% 的充电稳定性, 某些激光脉冲调制器也要求充电稳定性好于0. 1%.
针对以上问题, 可以在常规串联谐振开关电路的基础上进行技术改进, 使其适应大范围的重复频率及储能电容容量变化, 在保持原电路恒流源充电优点的同时实现高稳定度充电。
3. 2 国内外现状
美国的M axw ell 公司及EM I 公司均研制了开关模式的适合脉冲电容充电的系列高压电源, 都是串联谐振开关的改进型, 并拥有各自的技术专利, 如EM I 的商业产品平均充电功率达到了30kJ/s (DC状态50kW ) , 电压为50kV , 整体尺寸为480×310×560, 重量84kg, 功率密度为0. 6W/ cm 3, 效率85% ,功率因数0. 9.阿贡国家实验室、DESY 实验室的直线加速器调制器使用了EM I 和M axw ell 的产品。
而国内的大多数较大功率的脉冲调制器多采用传统的低频LC 谐振充电模式, 采用大功率充电电源开关模式的不多, 或是用的充电效率低的电压源。文献[7 ]报导了采用晶闸管的中频大功率恒流高压电源,是一个较好的尝试。
3. 3 几种改进的技术路线
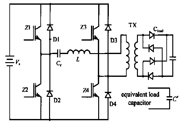
当负载电容容量小且重复频率高时, 一种设计思想是改进控制电路, 使其达到的效果相当于: 在每一个充电周期开始阶段, 使用谐振电流大的主电源快速充电至预设电压, 随后转为小电流电源充电, 在T w 阶段向负载提供很小的电量以减小波动; 另一种技术路线采用双桥路的移相控制电路, 如图7 所示,这种电路非常适合大功率充电的应用场合。EM I 公司的30kJ/s , 50kV 电源采用了此项技术。

图7 双桥路的移相控制充电电路原理图
4 小 结
串联谐振开关电路工作于恒流源状态, 综合考虑充电效率、电路实现难易程度、体积等, 该电路是最适合电容器充电的。在基本电路的基础上进行技术革新, 提高充电稳定度, 能使其适应大范围的重复频率及储能电容的容量变化, 应用前景将更加广泛, 是传统充电电源的升级换代品。
