如何用示波器测量电子元器件
中心议题:
本文探讨如何使用示波器对稳压管稳压值、热敏电阻、可控硅和晶体三极管的特性曲线进行测量,主要介绍了相应的测试电路和测试方法。
一、 稳压管稳压值的测量
稳压管(也称齐纳二极管)是利用PN结被击穿时的特性来工作的。在—定的反向电压下,稳压二极管被击穿,击穿后它的两端电压基本保持在一个稳定的数值上,此时若改变二极管中的电流大小,将不影响二极管两端的电压,即二极管的反向击穿电压不随反向电流的变化而改变,这就是稳压二极管的稳压特性,测试电路如图1。

测试方法:将示波器调到正常工作状态,两通道的输入耦合开关置“DC”,分别调整两个垂直位移(Y1、Y2)旋钮,使两基线重合并与靠下部的某一水平刻度线对齐。两通道的“Y轴衰减”位置应一致。把输入耦合开关置“DC”位置,调节稳压电源的输出电压,观察示波器荧屏上UI、U2的变化情况,此时随着UI的增加,U2也应相应增加。
继续增加U1,直到U2不再上升为止,然后根据测量直流电压的方法测出U2的值,即为稳压二极管的稳压值VD。
二、 热敏电阻的测量
热敏电阻的瞬时电阻值是由该电阻的工作温度决定的。当温度上升后其电阻值的变化情况可分为两种类型:—种为正温度系数热敏电阻PTC(随着温度上升电阻值增加),—种为负温度系数热敏电阻NTC(随着温度上升电阻值下降),测试电路如图2。

测量方法:分别把图2中的U1、U2接入Yl、Y2通道,调整信号源的输出电压幅度,直到屏幕上显示出满意的U1、U2正弦波为止。用已被预先加热的电烙铁(20W~35W)靠近热敏电阻,同时观察U2的变化情况:若U2的幅度上升,说明Rt为正温度系数热敏电阻;反之则为负温度系数热敏电阻。若随着温度的增加或降低U2的变化很灵敏,则说明此热敏电阻性能良好。
利用上述测试方法,同样可以进行光敏电阻的测量,只不过把电烙铁换成手电筒照射罢了。
三、 可控硅的测试
可控硅(又称晶闸管)是自动控制电路中经常使用的器件,实质上就是一个带有控制端的大功率二极管。当控制端不加控制电压时,无论二极管如何偏置,都不会导通的,只有对控制端施加一定电压,再利用示波器测试,测试电路见图3。
测试方法:示波器输人耦合开关置“DC”挡,Y轴衰减开关置5V/cm。当开关K未闭合时,控制端未加控制电压,则SCR不导通,回路电流几乎为零,示波器屏上显示的A点压VA≈20V。合上开关K,调节电位器W的阻值(由小到大),直到可控硅导通为止,此时发光二极管LED亮,VA急剧下降(可控硅导通后的VA≈0.7V)。此时断开开关K,则SCR继续导通,LED仍亮,屏上显示的电压仍保持在0.7V左右,若要SCR截止,只有切断电源才行。
双向可控硅的测试方法可参考上述方法进行。
四、 晶体三极管特性曲线的测量
晶体三极管的放大能力可以用指针式万用表粗测,也可以通过数字万用表的hFE装置测出其放大倍数,但输入、输出特性曲线则必须通过晶体管特性图示仪观察。在没有图示仪的情况下,用普通示波器观测三极管的特性曲线,也是电子活动爱好者对三极管放大倍数的变化规律认识方面的一个有效途径。

测试方法:把图4连入示波器,从图中可以看出:X轴通道信号反映了集电极、发射极偏置电压的大小,Y轴通道的信号反映了该电路中三极管Ic的变化,示波器耦合开关置“DC”挡。断开1.5V电源,Ib=0,则示波器上出现—条水平亮线。通入1.5V电源,调整100kΩ电位器值的大小,分别使Ib为20uA、40uA、 60uA、 80uA, 则示波器屏幕上将依次扫描出四条曲线,如图5所示。由此可以很方便地测出该晶体管的直流放大倍数,并从曲线的线性度上判别管子的优劣程度。

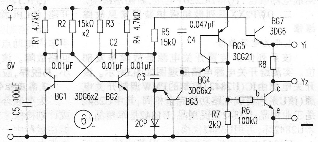
若想更进—步真实、直观地在示波器上观测一簇晶体管输出特性曲线,可用一小块电路板自行组装图6所示电路,使用中把被测管插人c、b、e处,可用直径合适的裸铜线卷绕成空芯管焊在电路板上,以方便插拔,则屏幕上可显示出8根电流曲线(也可调整C3、C4值改变曲线根数)。需要提及一点的是,此装置显示的特性曲线是由右而左,与晶体管图示仪正好相反,若感到不合适的话可通过改变X轴的极性使图像从左向右。

电路图中的BG1、BG2、R1~R4、C1、C2等组成多谐振荡器,BG3~BG5、C3、C4等组成阶梯波发生器,详细工作原理读者可自行分析,这里就不一一赘述了。
