大屏幕彩电开关电源的高频有源功率因数校正
中心议题:
- 功率因数问题及校正的基本原理
- 大屏幕彩电开关电源的PF分析
- 大屏幕彩电开关电源的高频有源PFC
解决方案:
- 大屏幕彩电开关电源的高频有源PFC设计
1 前言
提高功率因数( PF) 是用电设备节能的一个重要因数。随着电力电子技术的发展, 高频有源功率因数校正( PFC) 技术已越来越广泛地应用于各种电源。大屏幕彩电开关电源的功率在200~ 300W 之间, 原有彩电的开关电源均采用普通整流加滤波电路, 其谐波电流成分大, 功率因数值λ低, 一般为0. 65~ 0. 85。本文讨论功率因数问题及其校正的基本原理,分析大屏幕彩电开关电源的功率因数,并给出校正电路的设计方案及试验结果。为了提高大屏幕彩电的节电性能, 在设计中我们采用了高频有源PFC 技术, 提高了PF 特性。
2 PF 问题及其校正的基本原理
2. 1 PF 的概念
用电设备的λ指交流输入有功功率P 和输入视在功率S的比值, 即:
可见, λ还可定义为失真因数与移相因数的乘积。对开关电源来说, cos φ一般接近于1,即相移不大, 而谐波电流严重, 失真因数小。
2. 2 PF 低的危害性
用电设备的PF 低, 易造成以下危害:①谐波电流严重污染电网, 而干扰其它用电设备;②输入电流有效值大, 需增加电路和保护器件的规格;③供电容量增加, 加大了前级设备( 如变压器等) 的定额;④大大增加了中线负荷, 降低了安全性能。
2. 3 高频有源PFC的基本原理
高频有源PFC 是根据电网的电压、电流及负载的变化产生PWM 信号, 控制高频电子开关导通的, 可起调节电感L 的作用。改善电流波形, 利用乘法器控制PWM 信号, 可使电网的输入电流基本为正弦波, 使λ接近于1( 即大于0. 99) 。图1 示出PFC 的原理框图。

图1 高频有源PFC 电路框图
3 大屏幕彩电开关电源的PF分析
现有的大屏幕彩电内用开关电源一般采用全桥不可控整流电路直接加电解电容滤波电路。图2 示出该电路形式。

图2大屏幕彩电开关电源原理框图
图中,V1 是单相整流桥;C1为吸收电容;R1 是保护压敏电阻;R2是热敏电阻;K为固态继电器触点。
R2 用以限制合闸电流, 当输入滤波电解电容充满电后, K 闭合, R2 断接, 电路的交流输入电压、电流波形见图3。由图3 可见, 只有当网侧电压幅值高于电解电容电压时, 电流才从电网中抽出, 因而电流谐波成分很大。计算出这种波形的λ很低, 一般在0. 65~ 0. 85 之间。

图3 现有大屏幕彩电开关电源交流输入电压电流波形
图中,uiac为电网电压波形;uidc 为经V1 整流出的波形;uci 为输入滤波电解电容的电压波形;i i 为输入电流波形。
大屏幕彩电开关电源的输入功率在300W 左右, 其中1/ 3 ~ 1/ 5 是无功功率, 若采用有源PFC 技术可使其λ≥0. 99, 即λ≈1, 这样可节电60~ 100W, 是相当可观的。
4 大屏幕彩电开关电源的高频有源PFC
4. 1 设计方案
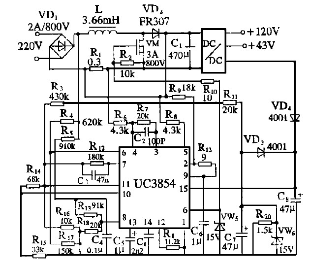
我们采用升压式电路来设计大屏幕彩电开关电源的有源PFC 电路, 其控制电路采用平均电流控制方式, 芯片采用UC3854, 具体电路见图4。它的工作原理是: 根据输出电压、输出电流和负载电流, 由UC3854 产生控制脉冲, 控制开关管导通, 连续监控和调节L 中的电流,使之跟随整流后的单向输入正弦电压, 并与其成正比; 此外, 为实现对输出直流电压的调整,利用乘法器并通过输入交流电压和输出直流来调控正弦基准电流, 以完成正确的SPWM, 这也是实现PFC 的关键。

图4 UC3854 构成PFC 电路的大屏幕彩电开关电源原理图
我们设计开关管的工作频率为50kHz, Rt= 11. 2kΩ , C t= 2. 2nF, 输入电压Ui 范围为220V+ 20%- 30%, 直流电压Ud = √2Ui, DC/ DC 的输出功率为250W, 输入功率为275W, 效率η=91%, 根据公式计算校正电感:
4. 2 实验结果
我们规定, 网侧交流电压为ui, 有效值为Ui; 交流电流为ii, 有效值为Ii; 滤波电解电容上的直流电压平均值为Ud; DC/ DC 输入电流的平均值为I d。在输入线上串一小电阻,用示波器测得其电流波形见图5。由图5 可见, ui为正弦, ii 为基本正弦, 在50Hz 波形上有50kHz 的小纹波。i i 与u i 的相位差为100us左右, 所以φ= 1. 8°, cos φ≈0.9995。

图5 实测波形
用单相调压器调ui , 再用表测得当Ui=220V 时, I i= 1. 25A, Ud = 310V, I d= 0. 85A,UdId/UiIi≈0.958.
因为电抗器和开关管也有功耗, 所以总的λ> 0.958, 如果校正电路的效率η= 0.97, 则λ≈0.988。
5 结束语
大屏幕彩电开关电源采用全波整流直流电解电容滤波时的λ在0. 65~ 0. 85 之间, 比较低, 而采用PFC 后, 可使λ提高到0.98 以上,每台彩电可节电60~ 100W。采用PFC 专用芯片, 可方便地实现校正电路, 且效果良好, 可靠性也高。
