配置AD7616用于高动态范围应用的设置示例
品慧电子讯AD7616是一款双通道、同步采样、16通道、16位逐次逼近寄存器(SAR)型模数转换器(ADC)。AD7616非常适合能源分配市场中的保护和测量应用。AD7616具备一系列针对保护和测量应用而设计的特性,例如低漂移的集成式可编程增益放大器(PGA)、1 MΩ输入阻抗、高度灵活的可编程序列器和最高128倍过采样功能。本应用笔记详细说明如何配置AD7616众多工作模式中的一种以实现100 dB以上的高动态范围。本应用笔记旨在用作快速入门参考,以便用户将AD7616集成到应用当中。
动态范围要求
根据具体应用,目标输入信号幅度可能很不相同。例如,相对于故障状况,继电器保护应用的信号量程一般很小,但用户可能希望同时测量标称状况和故障状况。这种测量需要一个具有大动态范围的ADC来将这些较小输入信号解析到所需的精度。此类应用所需的动态范围可通过下式计算:

其中:
DR为动态范围。
SignalMAX为ADC可以分辨的最大信号。
SignalMIN为ADC可以分辨的最小信号。
根据应用的精度要求,用户可能希望精度高于16位。此要求可利用AD7616并通过下述方法实现:
1. 对模拟输入进行过采样以实现高达96 dB的信噪比(SNR)。
2. 对信号进行双增益采样以提高有效动态范围。
使用AD7616的±10 V输入范围,在无任何过采样的情况下,用户通常可实现90.5 dB SNR。使用64倍过采样比(OSR)时,此SNR提高到96 dB最大值。类似地,对于±2.5 V范围,无过采样时可实现87 dB SNR,OSR为64时可实现93.9 dB SNR。
表1. 过采样所实现的SNR

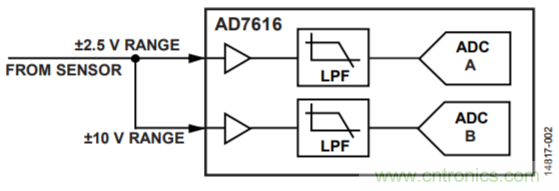
考虑一个来自传感器的输入信号,其相对于输入范围一般非常小,但可能超量程(例如启动期间或故障状况下),如图1所示。

图1. 超量程信号
将两个AD7616通道合并以对同一输入信号进行采样,便可实现较大动态范围。AD7616每个通道有一个PGA,经过配置可接受±2.5 V、±5 V或±10 V的输入信号。在对同一信号进行采样时使用不同的增益,是提高动态范围的关键。图2显示了一个典型的双采样设置,其使用AD7616每个ADC的一个通道。AD7616包括两个ADC内核和两个8:1多路复用器,总共有16个通道。本例使用每个多路复用器上的一个通道,从而可以对两个通道同时采样,如图2所示。
图2显示了一个典型的双采样设置,其使用AD7616每个ADC的一个通道。AD7616包括两个ADC内核和两个8:1多路复用器,总共有16个通道。本例使用每个多路复用器上的一个通道,从而可以对两个通道同时采样,如图2所示。

图2. 双增益采样设置
图 2 所示连接是监控三相电力系统某一相的典型连接,可以根据需要扩展到监控其他相。本应用笔记所述的配置假设 ADC 通道按照表 2 所示进行分配,从而监控三相。
表2. ADC通道配置

表 1 显示,对于±2.5 V 范围,OSR 为 64 时,过采样可将 SNR提高到 94 dB。对于同样的范围,以低得多的 4 倍 OSR 进行过采样时,可以解析的最小信号约为±88 μV。已知±2.5 V范围、OSR 为 4 倍时 SNR 为 89 dB,最小信号可计算如下:
![]()
其中:
SNR 为信噪比。
最大信号为施加到模拟输入端的信号的最大幅度。
最小信号为相对于本底噪声的最小可分辨信号的幅度。
最大信号就是输入范围;本例中为±2.5 V。使用此输入范围,重新整理并求解该方程便可确定 ADC 可以解析的最小信号。计算结果为±88 μV。
使用±10 V和±2.5 V两种输入范围进行采样,可以实现的最高动态范围为:

其中,DR为动态范围。
引脚配置
AD7616可以配置为硬件或软件工作模式。硬件模式使用引脚控制来配置序列器、模拟输入范围和过采样比等选项。软件模式则是通过并行接口或串行接口对片上寄存器进行编程,并可解锁器件的更多功能。本设置示例使用软件模式,通过并行接口编程。利用串行接口配置器件同利用并行接口对器件编程相似。有关详细信息,参见AD7616数据手册。
对于本例,在对片上寄存器编程之前,按照表3和图3所示配置控制引脚,然后上电。复位解除时或发生完全复位之后,器件会锁存硬件控制引脚值。对配置的任何改变也需要完全复位。
表3. 硬件引脚配置


图3. 硬件控制引脚连接
配置好控制引脚之后,将适当的电压提供给VCC引脚和VDRIVE引脚,以给AD7616供电。电源稳定后,需要让器件完全复位。有关详细信息,参见AD7616数据手册。
对AD7616编程
在软件模式下,AD7616可通过片上寄存器灵活配置。这些寄存器可通过并行或串行接口访问,有16位宽。本应用笔记所述的例子使用并行接口。所需寄存器写操作的流程图如图4所示。下述寄存器写命令利用可编程序列器将AD7616配置为对三个不同信号进行双采样。
首先写入配置寄存器。配置寄存器用在软件模式下,用来配置ADC的许多主要功能,包括序列器、突发模式、过采样和CRC操作。
将命令0x8460写入配置寄存器,使能序列器的突发模式。突发模式需要一个CONVST脉冲来启动序列器堆栈寄存器中配置的每个通道对的转换。然后存储转换结果,直至用户准备回读结果。有关详细信息,参见AD7616数据手册。
接下来配置输入范围寄存器。如表2所示,使能六个通道进行采样。三个通道设置为±2.5 V范围,另三个通道设置为±10 V范围。有四个输入范围寄存器,但本例仅需要两个:寄存器A1和寄存器B1。写入命令0x8815以将V0A至V2A通道的输入范围配置为±2.5 V范围。写入命令0x8C3F以将V0B至V2B通道的输入范围配置为±10 V范围。
最后写入序列器堆栈寄存器。序列器寄存器结构形成一个32层堆栈,各层可包含两个通道(ADC A中的任一通道和ADC B中的任一通道)。序列器编程如表4所示。
表4. 序列器编程

堆栈中最后一层(本例中为第三层)的SSREN位设置为逻辑1,以定义堆栈的最后一层。序列器达到SSREN位设为1的层之后,便将堆栈指针复位到堆栈的第一层。然后重复该序列。
AD7616现在已按照表2所示的配置,对三个信号进行采样。向器件写入命令0x0000,使其返回到读取模式并开始采样。表5显示了本例寄存器编程摘要。

图4. 寄存器配置流程图
表5. 寄存器摘要

转换
在突发模式下,单个CONVST脉冲启动序列器堆栈寄存器中配置的每个通道的转换。器件内部产生完成序列所需的其余CONVST信号。图5显示了器件在该模式下的操作。复位解除时,片内寄存器进行编程,如图4所示。器件切换回转换读取模式之后,需要进行一次伪转换以将新配置锁存到器件中。然后,用户必须提供一个CONVST脉冲以启动整个序列的转换。序列完成后(BUSY由高电平变为低电平),用户便可回读三个通道对的转换结果,如图5所示。

图5. 突发工作模式
读取转换结果
在突发模式下,回读转换结果发生在序列中的所有通道完成转换之后,如图5所示。假设通道数为N,过采样比为x,则完成转换和转换结果回读的周期时间(tCYCLE)可估计如下:

其中:

利用并行接口回读转换结果,即便使能突发序列器,用户也能维持最大吞吐速率。将AD7616数据手册中的适当数值代入tCYCLE计算公式,得到以4倍OSR转换三个通道对所需的周期时间为11.945 μs。此代换实现的吞吐速率为每通道83 kSPS。
结语
利用较小的±2.5 V输入范围设置,通过监控ADC A输出,用户可以检测过压和过流状况。借助这种方法,用户可以利用±2.5 V范围设置的满量程幅度范围来保护动态范围。然后,用户可以切换到监控较大的±10 V输入范围,以捕获故障状况的性质和幅度。此方法使得用户无需在ADC之前应用动态输入范围调整,而且AD7616的通道密度让双采样成为一个高性价比选择。本应用笔记证明,使用双采样设置和4倍OSR,AD7616动态范围可提高到101 dB。在使能过采样的情况下对三个通道进行采样,可以保持每通道83 kSPS以上的吞吐速率。在实际意义上,对于60 Hz输入信号,使用本应用笔记所述方法,每个线路周期用户可以收集1300个以上的样本。
推荐阅读:
信号和电源隔离RS-485现场总线的高速或低功耗解决方案
运放噪声——同相放大电路
航空电子应用中通信接口的防雷保护
开关转换器动态分析采用快速分析技术(1)
快速充电电路的静噪对策解决方案
