一种低压程控电源的设计
关于低压程控电源中心议题
- 测量电路对电源的要求
- 驱动电路与控制电路的接口
关于低压程控电源解决方案
- 三端稳压器件7824作驱动电路电源
- 过电流保护电路设计
- 过电压保护电路设计
在某些自动测量领域,为了满足特殊的测试条件或测量过程,常要求在测量过程中能控制电源倒换极性或者使电源接入或脱离测量系统,即能够根据测量的需要来随时控制电源的状态。随着电力电子技术的发展,全控型器件的开关速度、容量及可靠性有了很大的提高,使得利用全控型器件实现在程序上可控的电源变得十分容易。本文结合一种测量过程的实例,给出了一种低压可控电源的设计。
在应用直流叠加法检测XLPE电缆绝缘电阻的方法中[1],为了抵消测量中干扰的影响,要求在测试过程中能变换电源的极性,而且在某段过程中,要求能完全切断电源。我们利用电力电子器件,实现了一种在测量过程中可控的低压电源,为实现测量的全面自动化铺平了道路。
1 测量电路对电源的要求
直流叠加法检测电缆绝缘的实验室主接线图如图1所示。
图1 测量主接线图
在图1中,电缆用一个电阻与一个电容的并联电路来建立模型,1MΩ的电阻为保护水电阻,变压器将220V的电压升到110kV后,加到电缆上。在测量试验中,主要的要求是将一个50V的直流电压叠加到电缆上,以测量出电缆的绝缘电阻R,为了减小测量误差,需要倒换电源极性,进行正反向两次测量。此外,在现场由于变压器中性点常通过一小电阻接地,此电阻的阻值仅为几Ω到十几Ω,为了能将直流电源叠加到电缆上,直流电源必须能提供足够大的电流。在应用直流叠加法
检测电缆绝缘中,通常需要的直流电压为50V,这样,设定中性点的接地电阻最小值为5Ω,通过欧姆定律我们可以得出,直流电源至少要能够提供10A的电流;此外,考虑到在测量过程中需要的开关速度,就可以选择合适的电力电子器件了。经过对常用全控型电力电子器件的考察,我们决定采用MOSFET来作为开关器件,选用IR公司的IRFP460。IRFP460是IR公司生产的高速器件,它的安全工作区如图2所示,在图2中我们可以看出,在50V的情况下,10A是它可以安全关断的电流[3]。
图2 IRFP460的安全工作区
2 主电路设计
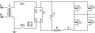
由于在测量过程中不仅要求能倒换电源的极性,而且要求能将电源完全脱离测量系统,因此,在设计中利用一全桥电路来实现电源的极性控制及全关断[2]。主电路如图3所示。
图3 电源主电路
从图3可以看出,主电路实际上是一个整流电路及一个全桥逆变电路的组合,电源极性的倒换是通过逆变器实现的。这样,就能轻松地实现程控电源。123下一页> 关键字:程控电源 MOSFET 过流保护 过压保护  本文链接:http://www.cntronics.com/public/art/artinfo/id/80009551
3 驱动电路设计
在设计中,我们没有采用常用的DC/DC模块作驱动电路电源,而是采用简单而便宜的三端稳压器件7824作驱动电路电源。通过实验说明,它在可靠性下降不大的情况下使成本下降了3/4。一路驱动电源电路图如图4所示。
图4 单路驱动电路电源
在图4中,我们模仿驱动集成电路EXB841的内部电路,利用电阻R1及稳压管D2来制造一个参考地,使得相对于参考地来说,输出电压分别为+15V及-9V,参照IRFP460的器件手册,这两种电压已经能够可靠地触发及关断MOSFET。驱动控制电路采用TLP250作为驱动信号的控制电路[4]。TLP250的逻辑表及内部电路分别如表1及图5所示。
表1 TLP250逻辑表 InputLED V1 V2

图5 TLP250内部电路图
从表1及图5可以看出,在提供了驱动电源后,利用TLP250就可以很容易地实现驱动电路与主电路的接口,当光耦导通时,V1导通,VCC近似等于Vo,此时输出到MOSFET上的栅漏电压近似为15V;当光耦截止时,V2导通,Vo近似等于GND,此时输出到MOSFET上的栅漏电压近似为-9V。
4 驱动电路与控制电路的接口
由于在本设计中,采用单片机作为测量系统的核心,因此,控制电路的核心也采用单片机,为了节约单片机的IO口,采用一片74LS175作为控制信号的锁存器。驱动电路与控制电路的接口电路如图6所示。
在图6中,AD0—AD3为低四位数据总线,CLK2为译码器与单片机读写信号配合给出的触发信号。在测量过程中,当需要改变电源的状态时,直接将数据写入到74LS175中并锁存,就可以据此控制各个桥臂的导通与关断。在此需要注意的是,在调试过程中一定不要给出错误的数据,造成桥臂直通,从而使得MOSFET永久损坏。
图6 驱动电路与控制电路接口电路
5 保护电路设计
5.1 过电压保护电路设计
在本设计中,由于电源容量仅为500W,因此,可以采用简单的RC吸收电路。电路图如图7所示。
图7 RC吸收电路
将图7所示的电路并联到MOSFET两端即可有效限制冲击过电压。电容的参数可以通过实测来计算,也可以简单地选取MOSFET极间电容的2倍,电阻的参数与开关频率有关。
5.2 过电流保护电路设计
在本设计中,由于电源容量不大,因此,考虑采用晶体管过电流保护电路,如图8所示。
在图8中,R1—R10为1Ω的标准电阻,功率为2W,当电流超过预定值时,在并联电阻上的压降超过0.7V,三极管导通,此时,MOSFET将因栅源极间承受反向电压而截止,从而切断主电路;当电流值正常时,MOSFET正常导通,不会影响电路的正常工作。这种电路的缺点在于,如果电路中出现时断时续的过电流时,MOSFET将会不断地动作。为此,在图3中还加入了其他保护元器件。
图8 过电流保护电路
从图3可以看出,为了防止主电路整流侧过流损坏,在变压器副边设置了空气开关。在此需要说明的是,此开关不能设置在变压器原边,以避免因励磁涌流而误动作。在逆变部分还加入了小电感,以防止电流变化造成的损坏,串入快速熔断器作为晶体管过电流保护的后备保护。
MOSFET管栅源极间的保护电路在很多文献中已经给出,在此不再多述[3]。
6 结语
将MOSFET应用于自动测量领域,采用单片机作为测量系统的核心,成功解决了自动测量过程中需要控制电源状态的问题。利用此电路不仅可以自动倒换电源极性及实现电源的程控关断,而且,在MOSFET开关频率允许的前提下,还可以利用此电路编程实现任意的SPWM波形。
此设计结构紧凑,可控性高,且成本较低,在测量试验中取得了满意的效果,体现了程序控制的优势。
<上一页123 关键字:程控电源 MOSFET 过流保护 过压保护  本文链接:http://www.cntronics.com/public/art/artinfo/id/80009551?page=3